4797  Snap-in version from front side Solder/quick connect terminals
Snap-in version
from front side
Solder/quick connect terminals
4797  Screw-on mounting from front side Solder/quick connect terminals
Screw-on mounting
from front side
Solder/quick connect terminals
4797  Snap-in version from front side Solder/quick connect terminals
4797  Screw-on mounting from front side Solder/quick connect terminals

Series

4797

IEC Appliance Outlet J, Snap-in/Screw-on Mounting, Front Side, Solder or Quick-connect Terminal

Free Sample Request

16 Variants


Connectors (Inlets/Outlets)

type J
Connector Logo
70° C

Green Line

 
 Logo
 
 
 Logo
 

Description

  • Snap-in or screw-on mounting, front side:
  • Connector, Pin temperature 70 °C Protection class I
  • V-Lock, P-Lock and Twylock compatible
  • Safety of electrical appliances for household and similar purposes. Meets the requirements for appliances in unattended use. This includes the enhanced requirements of glow wire tests acc. to IEC 60695-2-11 or -12 & -13.
  • Solder / Quick Connect

Unique Selling Proposition

  • Variants made from plant-based plastics with 7.75 kg CO2e reduction per packaging unit
  • The plant-based plastics meet the increased glow wire test requirements according to IEC 60695-2-12 and -13

Characteristics

  • Suitable for use in equipment according to IEC/UL 62368-1

Other versions on request

  • Other panel thickness
  • Variants in white color
  • For protection class II

The integration of light pipes in the appliance outlet provides status indication in smart PDUs. See PDU Landing Page for more information. Power Distribution Units

Ratings IEC

Ratings IEC


The electrical characteristics describe the approved operating values for the state of rated current and rated voltage considering the mentioned conditions.
General information on electrical characteristics colors of fuses
Ratings IEC, UL/CSA General information on the rated current and the rated voltage at EMC products
Rated Voltage Rated current The values are different depending on the approval body and therefore are referenced in the corresponding admission cards for the respective product families. Details about the approvals and ratings are listed in the data sheets.
Search approval information for different families
Approvals

16 A / 250 VAC; 50 Hz

Ratings UL/CSA

Ratings UL


The electrical characteristics describe the approved operating values for the state of rated current and rated voltage considering the mentioned conditions.
General information on electrical characteristics colors of fuses
Ratings IEC, UL/CSA General information on the rated current and the rated voltage at EMC products
Rated Voltage Rated current The values are different depending on the approval body and therefore are referenced in the corresponding admission cards for the respective product families. Details about the approvals and ratings are listed in the data sheets.
Search approval information for different families
Approvals

20 A / 250 VAC; 60 Hz

Dielectric Strength

Dielectric Strength


Information about the maximum permissible voltage, to avoid a voltage breakdown due to insulation damage.
Dielectric Strength

> 2.5 kVAC between L-N
> 3 kVAC between L/N-PE
(1 min/50 Hz)

Allowable Operation Temperature

-25 °C to 70 °C

IP-Protection

IP-Protection


The IP code consists of a two-digit number, which indicates the respective degree of protection.
The first digit specifies the protection from the penetration of foreign objects, the second digit the protection from water penetration with harmful effects. Details about IP protection degree can be looked up in the general product information
IP-Protection

front side IP20 acc. to IEC 60529

Protection against electric shock

IP-Protection


The IP code consists of a two-digit number, which indicates the respective degree of protection.
The first digit specifies the protection from the penetration of foreign objects, the second digit the protection from water penetration with harmful effects. Details about IP protection degree can be looked up in the general product information
IP-Protection

Suitable for appliances with protection class I or II acc. to IEC 61140

Terminal

Terminals


Terminals according IEC Standard.
Detailed information about terminals can be looked up in the date sheet or in the general product information.
Terminal

Solder / Quick Connect

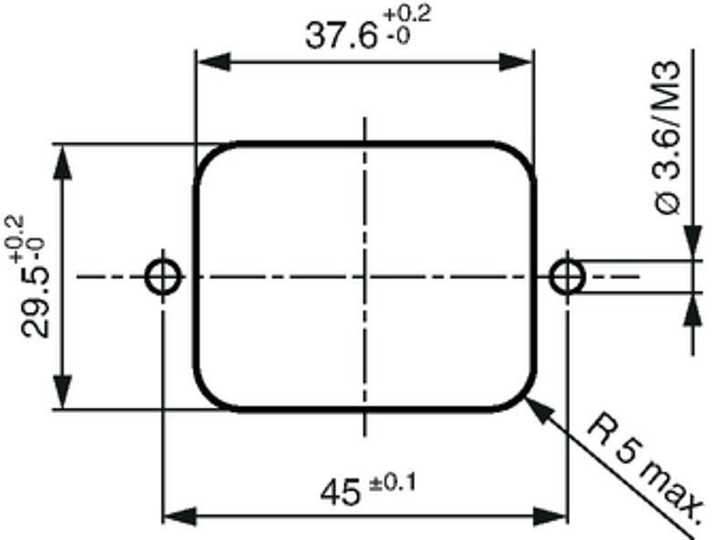
Panel Thickness S

Panel Thickness S


See details in drawing
Snapper

Screw: max 8 mm
Mounting screw torque max 0.5 Nm
Snap-in: 0.8 mm to 3 mm

Material: Housing

Thermoplastic, black, UL 94V-0

Appliance inlet/-outlet

Appliance inlet/-outlet


Connector type according to IEC 60320-1 resp. IEC 60320-2-2, UL498, CSA C22.2 no.42
Details on connectors and their names can be found in the general product information
Appliance Couplers Mating Connectors Term explanation Special Connector Designs

type J acc. to IEC 60320-3
UL 498, CSA C22.2 no. 42 (for cold conditions) pin-temperature 70 °C, 16 A, Protection Class I

Detailed information on product approvals, code requirements, usage instructions and detailed test conditions can be looked up in  Details about Approvals
SCHURTER products are designed for use in industrial environments. They have approvals from independent testing bodies according to national and international standards. Products with specific characteristics and requirements such as required in the automotive sector according to IATF 16949, medical technology according to ISO 13485 or in the aerospace industry can be offered exclusively with customer-specific, individual agreements by SCHURTER.


Approvals

The approval mark is used by the testing authorities to certify compliance with the safety requirements placed on electronic products.


Approval Reference Type: 4797

Approval Logo Certificates Certification Body Description
Approval marks ENEC_10 VDE Certificate Number: 40040106
Approval marks cURus UL UR File Number: E103791
Approval marks ccc CCC CCC Certificate Number: 2019180204008810, 2019180204011408


Product standards

Product standards that are referenced

Organization Design Standard Description
Approval marks IEC_Certification_Body Designed according to IEC 60320-1 Appliance couplers for household and similar general purposes
Approval marks IEC_Certification_Body Designed according to IEC 60320-3 Appliance couplers for household and similar general purposes
Approval marks UL Designed according to UL 498 Standard for Attachment Plugs and Receptacles
Approval marks CSA_Certification_Body Designed according to CSA C22.2 no. 42 General Use Receptacles, Attachment Plugs, and Similar Wiring Devices


Application standards

Application standards where the product can be used

Organization Design Standard Description
Approval marks IEC_Certification_Body Suitable for applications acc. IEC/UL 62368-1 Audio/video, information and communication technology equipment - Part 1: Safety requirements
Approval marks IEC_Certification_Body Suitable for applications acc. IEC 60335-1 Safety of electrical appliances for household and similar purposes. Meets the requirements for appliances in unattended use. This includes the enhanced requirements of glow wire tests acc. to IEC 60695-2-11 or -12 & -13.


Compliances

The product complies with following Guide Lines

Identification Details Initiator Description
Approval marks CE SCHURTER AG The CE marking declares that the product complies with the applicable requirements laid down in the harmonisation of Community legislation on its affixing in accordance with EU Regulation 765/2008.
Approval marks Zulassung_Symbol_UKCA SCHURTER AG The UKCA marking declares that the product complies with the applicable requirements laid down in the British Amendment of Regulation (EC) 765/2008.
Environment_Safety RoHS_Logo_color_CMYK_tif SCHURTER AG Directive RoHS 2011/65/EU, Amendment (EU) 2015/863
Environment_Safety China_RoHS_e_konform_eps SCHURTER AG The law SJ / T 11363-2006 (China RoHS) has been in force since 1 March 2007. It is similar to the EU directive RoHS.
Environment_Safety REACH SCHURTER AG On 1 June 2007, Regulation (EC) No 1907/2006 on the Registration, Evaluation, Authorization and Restriction of Chemicals 1 (abbreviated as "REACH") entered into force.
Components V_Lock_Logo SCHURTER AG V-Lock system are based on a matching plug-dose combination. The connector is equipped with a notch intended for use with the latching cordset. The cord latching system prevents against accidental removal of the cordset.
Environment_Safety Glow_Wire_Proof SCHURTER AG Meets the requirements of IEC 60335-1 for appliances in unattended use. This includes the enhanced requirements of glow wire tests acc. to IEC 60695-2-11 or -12 &-13.
Green Line Baum_Logo SCHURTER AG Green Line products are aligned with the UN's Strategic Development Goals (SDGs). Components of the products are made of sustainable, environmentally friendly materials. These include, for example, bio-based plastics or lead-free metal alloys. Products in this line can also support the economical, intelligent use of resources.

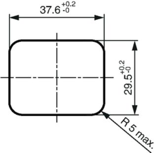
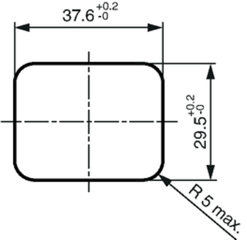
Dimensions [mm]

Snap-in mounting from front side

Screw-on from front side

Panel cutout for snap-in mounting

Panel cut-out for screw version


Short Table of Variants 4797 Open complete table 4797

Green Line Logo Panel mounting Panel Thickness s [mm] Order Number
Symbols, Footprints, 3D-Models Free Sample

Free Sample


Please ask for free sample in order to check if the products meets your requirement for your application.
Send your delivery adress and your specific requirements.

Distributor Stock Check

Distributor Stock Check


The following links refers to the inquiry form for distributors stock information of the selected products. It allows checking for the available amount and optionally to place an order at your selected partner.
The stock availability at the distributors may also be called up separately and the desired product manually entered.
Stock Check Distributor

...
 
Snap-in 1 4797.0010 ...
Snap-in 1.2 4797.0012 ...
Snap-in 1.5 4797.0015 ...
Snap-in 2 4797.0020 ...
Snap-in 2.5 4797.0025 ...
Snap-in 3 4797.0030 ...
Snap-in 1 4797.3010 ...
Snap-in 1.2 4797.3012 ...
Snap-in 1.5 3-148-860 ...
Snap-in 1.5 4797.3015 ...
Snap-in 2 4797.3020 ...
Snap-in 2.5 4797.3025 ...
Snap-in 3 4797.3030 ...
Screw - 3-148-857 ...
Screw - 4797.0000 ...
Screw - 4797.3000 ...

Packaging unit 50 Pcs 

020070130000002297
LOADING...
Substitute for type (3)

[Swipe to the left and right for more options]

Alternative: version with integrated light pipes (1)

[Swipe to the left and right for more options]

Mating Inlets/Plugs (2)

[Swipe to the left and right for more options]

4796

4796, Mounting: Power Cord, Cable, Plug: IEC I

4789

4789, Mounting: Power Cord, Screw, Plug: IEC I

Mating Inlets/Plugs shuttered (4)

[Swipe to the left and right for more options]

3-100-362

VAC19KS, Interconnection, V-Lock cord retaining, 2.0 m, Connector IEC C19, H05VV-F3G1.5 / SJT 3x14 AWG, black

3-100-363

VAC19KS, Interconnection, V-Lock cord retaining, 3.0 m, Connector IEC C19, H05VV-F3G1.5 / SJT 3x14 AWG, black

6051.2147

VAC19KS, Interconnection, V-Lock cord retaining, 1.0 m, Connector IEC C19, H05VV-F3G1.5, black

6051.2197

VAC19KS, Interconnection, V-Lock cord retaining, 1.0 m, Connector IEC C19, H05VV-F3G1.5 / SJT 3x14 AWG, black

Accessories (3)

[Swipe to the left and right for more options]

Wire Harness

Wire harness for SCHURTER products

RC320

Rear Cover for Power Entry Module

Cord retaining kits

Cord retaining strain relief


27.01.2026
   
en prod By changing the catalog version (Desktop <> Mobile), the system is resetting the chosen filters