4840.2221  , PCB terminals, , Socket, 6.0 mm, 2-pole, DC Plug/Socket

Part

4840.2221

, PCB terminals, Socket, 6.0 mm, 2-pole, DC Plug/Socket

... loading ...

Description

  • PCB: Drop-in type, rear-side:
  • Low Voltage DC Plug and Socket
  • DC Plug: 2-pole,, straight

Diameter

6.0 mm / 3.0 mm / 1.05 mm 

Number of Poles

2-pole 

Ratings DC

2 A / 13.5 VDC

Dielectric Strength

500 VDC

Insulation Resistance

> 100 MΩ␣ @  500 VDC

Allowable Operation Temperature

-20 °C to 70 °C

Terminal

PCB terminals silver plated

Mounting

Drop-in type

Style

straight 

Lifetime

5000 Insertions​

Detailed information on product approvals, code requirements, usage instructions and detailed test conditions can be looked up in  Details about Approvals
SCHURTER products are designed for use in industrial environments. They have approvals from independent testing bodies according to national and international standards. Products with specific characteristics and requirements such as required in the automotive sector according to IATF 16949, medical technology according to ISO 13485 or in the aerospace industry can be offered exclusively with customer-specific, individual agreements by SCHURTER.


Compliances

The product complies with following Guide Lines

Identification Details Initiator Description
Environment_Safety RoHS_Logo_color_CMYK_tif SCHURTER AG Directive RoHS 2011/65/EU, Amendment (EU) 2015/863
Environment_Safety China_RoHS_e_konform_eps SCHURTER AG The law SJ / T 11363-2006 (China RoHS) has been in force since 1 March 2007. It is similar to the EU directive RoHS.
Environment_Safety REACH SCHURTER AG On 1 June 2007, Regulation (EC) No 1907/2006 on the Registration, Evaluation, Authorization and Restriction of Chemicals 1 (abbreviated as "REACH") entered into force.

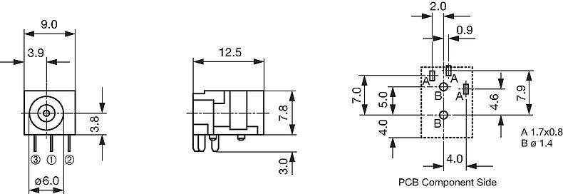
Dimensions [mm]


Diagrams


Short Table of Variants 4840.2221 Open complete table 4840.2221

Product group Diameter [mm] Number of Poles Order Number
Symbols, Footprints, 3D-Models Free Sample

Free Sample


Please ask for free sample in order to check if the products meets your requirement for your application.
Send your delivery adress and your specific requirements.

Distributor Stock Check

Distributor Stock Check


The following links refers to the inquiry form for distributors stock information of the selected products. It allows checking for the available amount and optionally to place an order at your selected partner.
The stock availability at the distributors may also be called up separately and the desired product manually entered.
Stock Check Distributor

...
 
DC Plug/Socket 6.0 2-pole 4840.2221 - ...

Packaging unit 500 Pcs 

900120040000004540 4840.2221
LOADING...
Mating Inlets/Plugs (3)

[Swipe to the left and right for more options]

4840.1220

, solder terminal, Plug, 5.5 mm, 2-pole, DC Plug/Socket

4840.5220

, Cable, Plug, 5.5 mm, 2-pole, DC Plug/Socket

4840.5221

, Cable, Plug, 5.5 mm, 2-pole, DC Plug/Socket


03.09.2025
   
en prod By changing the catalog version (Desktop <> Mobile), the system is resetting the chosen filters