DLFP  Linear/Saturating Choke

Series

DLFP

Linear/Saturating Choke

Free Sample Request

7 Variants


Description

  • Linear/saturating choke
  • Flexible wire
  • Low noise development by using iron powder toroids instead of conventional iron lamination cores
  • Fully potted resign

Applications

  • Phase angle control circuits with thyristors, triacs or transistors
  • The choke acts at its optimum when it is mounted directly at the interference originator (thyristor, triac)

Rated voltage

up to 440 VAC

Rated Current

5 - 45 A @ Ta 45 °C

Power Operating Frequency

50 Hz

Terminal Type

THT, Flexible wire

Weight

149 - 1423 g

Material

UL 94V-0 

Sealing Compound

UL 94V-0 

Isolation Voltage

2 kV eff., winding to ambient

Climatic Category

25/100/21 acc. to IEC 60068-1

Allowable Operation Temp.

-25 °C to 100 °C

Detailed information on product approvals, code requirements, usage instructions and detailed test conditions can be looked up in  Details about Approvals
SCHURTER products are designed for use in industrial environments. They have approvals from independent testing bodies according to national and international standards. Products with specific characteristics and requirements such as required in the automotive sector according to IATF 16949, medical technology according to ISO 13485 or in the aerospace industry can be offered exclusively with customer-specific, individual agreements by SCHURTER.


Application standards

Application standards where the product can be used

Organization Design Standard Description
Approval marks IEC_Certification_Body Suitable for applications acc. IEC/UL 62368-1 Audio/video, information and communication technology equipment - Part 1: Safety requirements


Compliances

The product complies with following Guide Lines

Identification Details Initiator Description
Approval marks CE SCHURTER AG The CE marking declares that the product complies with the applicable requirements laid down in the harmonisation of Community legislation on its affixing in accordance with EU Regulation 765/2008.
Approval marks Zulassung_Symbol_UKCA SCHURTER AG The UKCA marking declares that the product complies with the applicable requirements laid down in the British Amendment of Regulation (EC) 765/2008.
Environment_Safety RoHS_Logo_color_CMYK_tif SCHURTER AG Directive RoHS 2011/65/EU, Amendment (EU) 2015/863
Environment_Safety China_RoHS_e_konform_eps SCHURTER AG The law SJ / T 11363-2006 (China RoHS) has been in force since 1 March 2007. It is similar to the EU directive RoHS.
Environment_Safety REACH SCHURTER AG On 1 June 2007, Regulation (EC) No 1907/2006 on the Registration, Evaluation, Authorization and Restriction of Chemicals 1 (abbreviated as "REACH") entered into force.

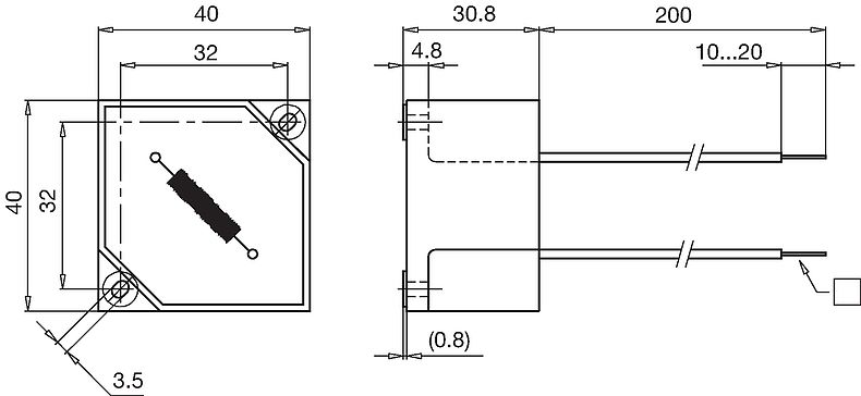
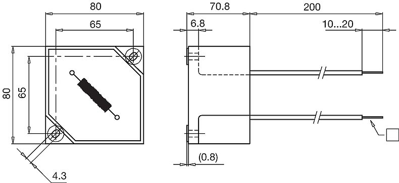
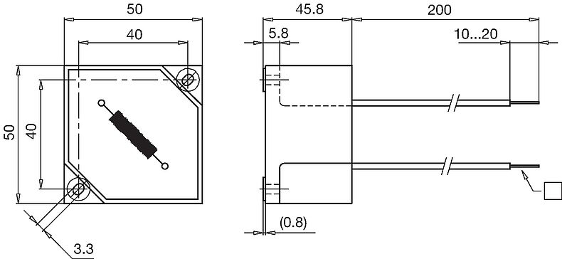
Dimension [mm]

Case 25W

Case 47W

Case 32W


Diagrams

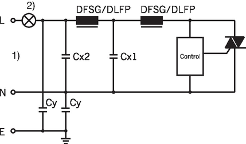
Interference suppression with resistive load, 2-phase
1) Line
2) Load
Interference suppression with resisitive load, 2-stage
DFSG: Radio interference suppression saturation choke
DFK: Radio interference suppression choke magnetically condensated
1) Line
2) Load
Interference suppression with resistive load, < 10A, e.g. dimmers circuit (DFSG)
1) Line
2) Load
3) only to protection class I
Interference suppression with inductive load
1) Line
2) Load

Derating Curves

% of nominal current
Allowed current versus ambient temperature


Short Table of Variants DLFP Open complete table DLFP

In [A] Ln [mH] Inductance drop max [%] Order Number
Symbols, Footprints, 3D-Models Free Sample

Free Sample


Please ask for free sample in order to check if the products meets your requirement for your application.
Send your delivery adress and your specific requirements.

Distributor Stock Check

Distributor Stock Check


The following links refers to the inquiry form for distributors stock information of the selected products. It allows checking for the available amount and optionally to place an order at your selected partner.
The stock availability at the distributors may also be called up separately and the desired product manually entered.
Stock Check Distributor

...
 
5 1 60 DLFP-0125-0501 ...
8 0.5 60 DLFP-0125-08D5 ...
12 0.5 60 DLFP-0147-12D5 ...
16 0.3 60 DLFP-0147-16D3 ...
25 0.15 60 DLFP-0147-25D2 ...
35 0.05 60 DLFP-0147-35C5 ...
45 0.2 70 DLFP-0132-45D2 ...

Inductance drop at In

800810060000006051
LOADING...

02.09.2025
   
en prod By changing the catalog version (Desktop <> Mobile), the system is resetting the chosen filters