KP (Switch)  Screw-on mounting
Screw-on mounting
KP (Switch)  Snap-in mounting
Snap-in mounting
KP (Switch)  KPF Filter Module (not enclosed)
KPF Filter Module
(not enclosed)
KP (Switch)  Screw-on mounting
KP (Switch)  Snap-in mounting
KP (Switch)  KPF Filter Module (not enclosed)

Series

KP (Switch)

IEC Appliance Inlet C14 with Line Switch 1- or 2-pole

Free Sample Request

8 Variants


Connectors (Inlets/Outlets)

C14
Connector Logo
70° C

Description

  • Panel mount: Sandwich/rear-side
  • 2 Functions: Appliance Inlet Protection class I, Line Switch 1  and 2  pole
  • For PCB mounting

Characteristics

  • Panel mount from rear or "sandwich" between top and bottom/side to side panels
    PCB mount with snap-in or screw-on feet (self tapping screws Ø 3 x 8 mm)
  • All single elements are already wired
  • Line switch non-illuminated
  • Insulation cover on the rear-side
  • Suitable for use in equipment according to IEC/UL 62368-1

Other versions on request

  • Solder terminals
  • Quick-connect terminals
  • Line switch, illuminated (only 2-pole version)
  • Line switch with other rocker marking
  • For protection class II

Newly available variants corresponding to V-Lock mating cordset. The connector is equipped with a notch intended for use with the latching cordset. The cord latching system prevents against accidental removal of the cordset.

Ratings IEC

Ratings IEC


The electrical characteristics describe the approved operating values for the state of rated current and rated voltage considering the mentioned conditions.
General information on electrical characteristics colors of fuses
Ratings IEC, UL/CSA General information on the rated current and the rated voltage at EMC products
Rated Voltage Rated current The values are different depending on the approval body and therefore are referenced in the corresponding admission cards for the respective product families. Details about the approvals and ratings are listed in the data sheets.
Search approval information for different families
Approvals

10 A / 250 VAC; 50 Hz

Ratings UL/CSA

Ratings UL


The electrical characteristics describe the approved operating values for the state of rated current and rated voltage considering the mentioned conditions.
General information on electrical characteristics colors of fuses
Ratings IEC, UL/CSA General information on the rated current and the rated voltage at EMC products
Rated Voltage Rated current The values are different depending on the approval body and therefore are referenced in the corresponding admission cards for the respective product families. Details about the approvals and ratings are listed in the data sheets.
Search approval information for different families
Approvals

15 A / 250 VAC; 60 Hz

Dielectric Strength

Dielectric Strength


Information about the maximum permissible voltage, to avoid a voltage breakdown due to insulation damage.
Dielectric Strength

> 2.3 kVAC between L-N
> 2.8 kVAC between L/N-PE
(1 min/50 Hz)

Allowable Operation Temperature

-25 °C to 70 °C

IP-Protection

IP-Protection


The IP code consists of a two-digit number, which indicates the respective degree of protection.
The first digit specifies the protection from the penetration of foreign objects, the second digit the protection from water penetration with harmful effects. Details about IP protection degree can be looked up in the general product information
IP-Protection

front side IP40 acc. to IEC 60529

Protection against electric shock

IP-Protection


The IP code consists of a two-digit number, which indicates the respective degree of protection.
The first digit specifies the protection from the penetration of foreign objects, the second digit the protection from water penetration with harmful effects. Details about IP protection degree can be looked up in the general product information
IP-Protection

Suitable for appliances with protection class I acc. to IEC 61140

Terminal

Terminals


Terminals according IEC Standard.
Detailed information about terminals can be looked up in the date sheet or in the general product information.
Terminal

For PCB mounting Quick connect terminals 4.8 x 0.8 mm
Solder terminal on request

Panel Thickness S

Panel Thickness S


See details in drawing
Snapper

Snap-in: 1.5/2/2.5/3 mm

Material: Housing

Thermoplastic, black, UL 94V-0

Appliance inlet/-outlet

Appliance inlet/-outlet


Connector type according to IEC 60320-1 resp. IEC 60320-2-2, UL498, CSA C22.2 no.42
Details on connectors and their names can be found in the general product information
Appliance Couplers Mating Connectors Term explanation Special Connector Designs

C14 acc. to IEC 60320-1,
UL 60320-1, CSA C22.2 no. 60320-1 (for cold conditions) pin-temperature 70 °C, 10 A, Protection Class I

Line Switch

Line Switch


Also includes circuit breaker switch and switch for Bowden cables.

Details about the switches can also be found in the general product information.
Line Switch

Rocker switch 1-/2-pole, non-illuminated, acc. to IEC 61058-1
Technical Details

Detailed information on product approvals, code requirements, usage instructions and detailed test conditions can be looked up in  Details about Approvals
SCHURTER products are designed for use in industrial environments. They have approvals from independent testing bodies according to national and international standards. Products with specific characteristics and requirements such as required in the automotive sector according to IATF 16949, medical technology according to ISO 13485 or in the aerospace industry can be offered exclusively with customer-specific, individual agreements by SCHURTER.


Approvals

The approval mark is used by the testing authorities to certify compliance with the safety requirements placed on electronic products.


Approval Reference Type: KP01

Approval Logo Certificates Certification Body Description
Approval marks ENEC_10 VDE Certificate Number: 40029369
Approval marks cURus UL UR File Number: E96454
Approval marks ccc CCC CCC Certificate Number: 2019180204009410/2019180204010438


Product standards

Product standards that are referenced

Organization Design Standard Description
Approval marks IEC_Certification_Body Designed according to IEC 60320-1 Appliance couplers for household and similar general purposes
Approval marks IEC_Certification_Body Designed according to IEC 61058-1 Switches for appliances. Part 1. General requirements
Approval marks UL Designed according to UL 60320-1 Standard for Attachment Plugs and Receptacles
Approval marks CSA_Certification_Body Designed according to CSA C22.2 no. 60320-1 General Use Receptacles, Attachment Plugs, and Similar Wiring Devices


Application standards

Application standards where the product can be used

Organization Design Standard Description
Approval marks IEC_Certification_Body Suitable for applications acc. IEC/UL 62368-1 Audio/video, information and communication technology equipment - Part 1: Safety requirements


Compliances

The product complies with following Guide Lines

Identification Details Initiator Description
Approval marks CE SCHURTER AG The CE marking declares that the product complies with the applicable requirements laid down in the harmonisation of Community legislation on its affixing in accordance with EU Regulation 765/2008.
Approval marks Zulassung_Symbol_UKCA SCHURTER AG The UKCA marking declares that the product complies with the applicable requirements laid down in the British Amendment of Regulation (EC) 765/2008.
Environment_Safety RoHS_Logo_color_CMYK_tif SCHURTER AG Directive RoHS 2011/65/EU, Amendment (EU) 2015/863
Environment_Safety China_RoHS_e_konform_eps SCHURTER AG The law SJ / T 11363-2006 (China RoHS) has been in force since 1 March 2007. It is similar to the EU directive RoHS.
Environment_Safety REACH SCHURTER AG On 1 June 2007, Regulation (EC) No 1907/2006 on the Registration, Evaluation, Authorization and Restriction of Chemicals 1 (abbreviated as "REACH") entered into force.
Components V_Lock_Logo SCHURTER AG V-Lock system are based on a matching plug-dose combination. The connector is equipped with a notch intended for use with the latching cordset. The cord latching system prevents against accidental removal of the cordset.

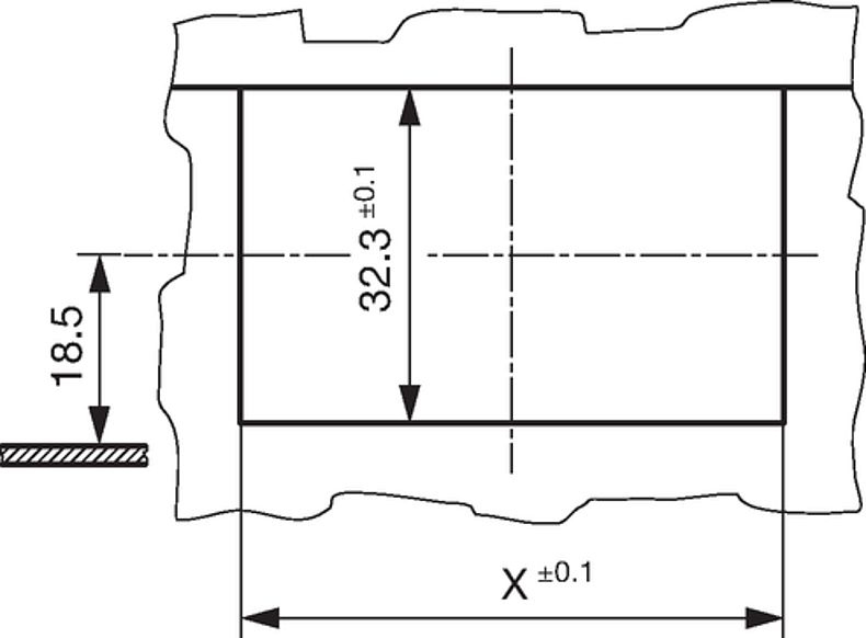
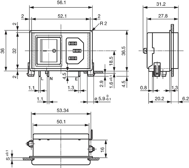
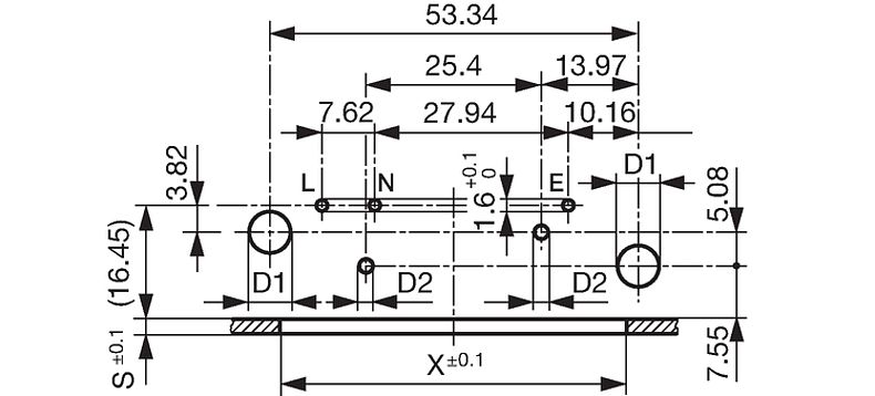
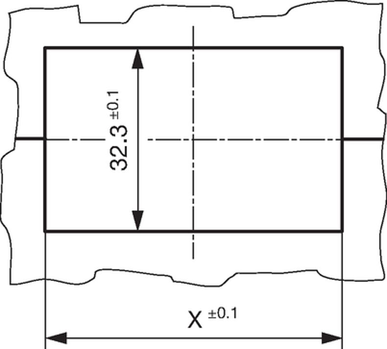
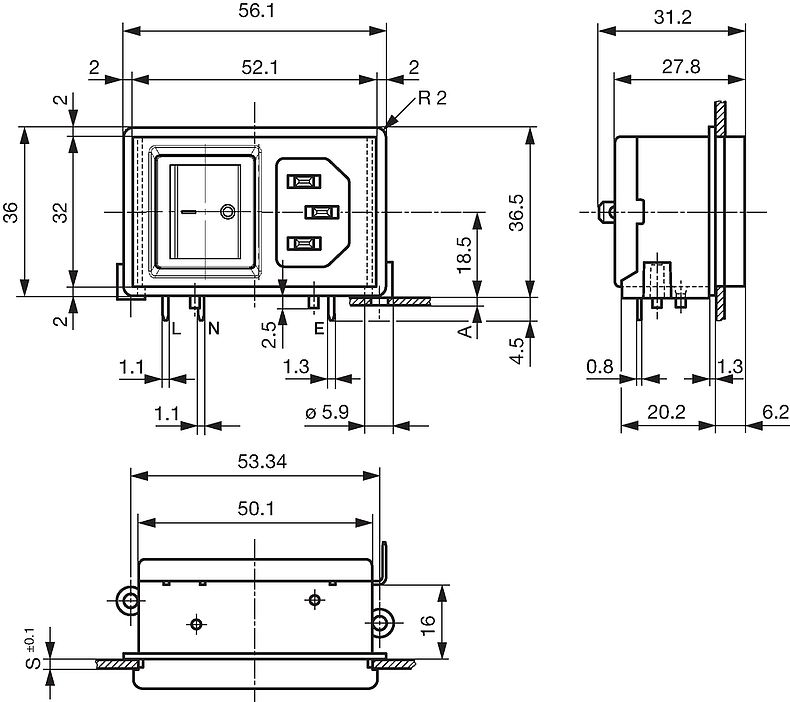
Dimensions [mm]

Screw-on mounting

A = for PCB-thickness 1.2/1.6/2.0/2.4 mm
Additional quick connect terminal 4.8 x 0.8 mm
Snap-in mounting

Additional quick connect terminal 4.8 x 0.8 mm
s = panel thickness
For 2-pole inlet/switch, 2-pole inlet
fuseholder and inlet/outlet
d1 = 6 ± 0.05 für (snap-in)
d1 = 3.6 (screw-on)
d2 = 2.1 + 0.1/-0 (screw-on)
Dimensions without tolerance: ≤ 15 = ± 0.05, ≥ 15 = ± 0,1
For combinations
Inlet/switch 1-pole, inlet/fuseholder 1-pole
S and X see mounting holes

Mounting holes for backside mounting

Sandwich mounting holes

X = 48.4 at S = 1.5 and 2.5
X = 50.4 at S = 2.0 and 3.0
Sandwich mounting holes

X = 48.4 at S = 1.5 and 2.5
X = 50.4 at S = 2.0 and 3.0

Assembly Instructions

Stable snap feet requires minimal insertion force
Module must lay flat on the PCB when soldering
Screw-on mount
uses self-tapping screws
Insertion from behind
"Sandwich" mounting with split enclosure panels

Diagrams

Inlet with line switch


Short Table of Variants KP (Switch) Open complete table KP (Switch)

Panel mounting Panel Thickness s [mm] PCB [mm] Order Number
Symbols, Footprints, 3D-Models Free Sample

Free Sample


Please ask for free sample in order to check if the products meets your requirement for your application.
Send your delivery adress and your specific requirements.

Distributor Stock Check

Distributor Stock Check


The following links refers to the inquiry form for distributors stock information of the selected products. It allows checking for the available amount and optionally to place an order at your selected partner.
The stock availability at the distributors may also be called up separately and the desired product manually entered.
Stock Check Distributor

...
               
 
Snap-in 2 1.6 KP01.1212.11 ...
Snap-in 2 1.6 KP01.1112.11 ...
Snap-in 3 1.6 KP01.1213.11 ...
Snap-in 3 1.6 KP01.1113.11 ...
Screw 2 1.2/1.6/2.0/2.4 KP01.1252.11 ...
Screw 2 1.2/1.6/2.0/2.4 KP01.1152.11 ...
Screw 3 1.2/1.6/2.0/2.4 KP01.1253.11 ...
Screw 3 1.2/1.6/2.0/2.4 KP01.1153.11 ...

Type KP without cover: KP01.XXXX.XX90

Ground Terminal with solder pin: KP01.XXXX.X3XX

Packaging unit 50 Pcs 

020051160000001134
LOADING...
Alternative: version with line filter (1)

[Swipe to the left and right for more options]

We recommend for new applications (1)

[Swipe to the left and right for more options]

Mating Outlets/Connectors (8)

[Swipe to the left and right for more options]

4787

4787, Mounting: Screw-on mounting, Appliance Outlet: IEC Solder terminals, 10 A, Suitable for appliances with protection class I

4788

4788, Mounting: Snap-in version, Appliance Outlet: IEC Solder / Quick Connect, 10 A, Suitable for appliances with protection class I

5091

IEC Appliance Outlet F or H, Screw-on Mounting, Front Side, Solder, PCB or Quick-connect Terminal

4782

4782 Mounting: Power Cord, 3 x 1 mm² / 3 x 18 AWG, Cable, Connector: IEC C13

4785

4785 Mounting: Power Cord, 3 x 1 mm² / 3 x 18 AWG, Cable, Connector: IEC C13

4300-06

4300-06 Mounting: Power Cord, 3 x 1 mm² / 3 x 18 AWG, Cable, Connector: IEC C13

4781

4781 Mounting: Power Cord, Cable, Connector: IEC C15

4784

4784 Mounting: Power Cord, 3 x 1 mm² / 3 x 18 AWG, Cable, Connector: IEC C15

Mating Outlets/Connectors shuttered (2)

[Swipe to the left and right for more options]

4783

4783 Mounting: Power Cord, 3 x 1 mm² / 3 x 18 AWG, Cable, Connector: IEC C13

VAC13KS

VAC13KS, Overview, V-Lock cord retaining, diverse Connector IEC C13, diverse, black


01.09.2025
   
en prod By changing the catalog version (Desktop <> Mobile), the system is resetting the chosen filters