PSE EX 19  PSE 19 EX
PSE 19 EX

Series

PSE EX 19

Piezo Switch for Explosive Environments

Phase_Out_Logo
Free Sample Request

Last order date: 07.02.2025

3 Variants


Description

  • Piezo switch certified according to ATEX and IECEx
  • Pins / crimp terminal male / plug-in connector

Characteristics

  • Housing material types: aluminum, brass chrome-plated or stainless steel
  • High reliability, long lifetime with more than 20 mill. actuations
    Easy to clean due to a tightly closed surface (IP69K)
  • for use in harsh environments (see technical data), in potentially explosive applications and environments where volatile fumes, gases and dust are present

Other versions on request

  • Switch with short switching pulse, type: PSE NO
  • Switch for longer switching signal duration, type: PSE IV
  • Switch with enhanced vandal proof protection, type: PSE HI

Electrical Data

Switching Function

momentary 

Switching Voltage

Ui max. 24 / 24 VAC/DC

Switching current

Ii max. 40 mA

Rated Breaking Capacity (Temperature Class T5/T100°C)

Pi max. 0.96 W

Rated Breaking Capacity (Temperature Class T6/T85°C)

Pi max. 0.7 W

Lifetime

20 million actuations at Rated Switching Capacity

Switch Resistance OFF

> 10 kΩ

Switch Resistance ON

< 20 mΩ

Capacity

5 pF

N.O. Closing Impulse Duration

20-  1000 ms

Contact Configuration

free polarity 

Mechanical Data

Actuating Force

≤ 3 N at ambient temperature

Actuating Travel

0.002 mm

Shock Protection

IK02 

Mounting screw torque

2.5 Nm

Climatical Data

Operating Temperature

-20 to 60 °C

Storage Temperature

-20 to 60 °C

IP-Protection

IP67 acc. to IEC 60529,  IP69K acc. to DIN 40050-9

Environmental Assessment

+55°C␣/  93% r.h. acc. to DIN EN 60068-2-30

Salt Spray Test (acc. to DIN 50021-SS)

24 h / 48 h / 96 h Residence Time 

Material

Housing (depending on type)

Stainless Steel, Aluminum anodized 

Detailed information on product approvals, code requirements, usage instructions and detailed test conditions can be looked up in  Details about Approvals
SCHURTER products are designed for use in industrial environments. They have approvals from independent testing bodies according to national and international standards. Products with specific characteristics and requirements such as required in the automotive sector according to IATF 16949, medical technology according to ISO 13485 or in the aerospace industry can be offered exclusively with customer-specific, individual agreements by SCHURTER.


Approvals

The approval mark is used by the testing authorities to certify compliance with the safety requirements placed on electronic products.


Approval Reference Type: PSE EX

Approval Logo Certificates Certification Body Description
Approval marks EX Eurofins Certificate Number: SEV 13 ATEX 0170
Approval marks EX Eurofins Certificate Number: CML 22UKEX2617
Approval marks IEC_EX Eurofins Certificate Number: IECEx SEV 13.0011


Application standards

Application standards where the product can be used

Organization Design Standard Description
Approval marks EU_Fahne Suitable for applications acc. EMC Directive: Directive 2014/30/EU
Approval marks EU_Fahne Suitable for applications acc. ATEX / IECEx Approval Marking: Ex II 2 GD | Ex ib IIC T6...T5 Gb | Ex ib IIIC T85 °C ... T100 °C Db
Approval marks MIL_Standard Suitable for applications acc. MIL-STD: 202F Method 107G, 202F Method 204D, 202F Method 213B, 416D Method RS103, 810E Method 501.3, 810E Method 502.3, 810E Method 507.3
Approval marks VDE_Standard Suitable for applications acc. VDE Certificate Number: DIN EN 61000-4-2, DIN EN 61000-4-4
Approval marks IEC_Certification_Body Suitable for applications acc. IEC 62368-1 Audio/video, information and communication technology equipment - Part 1: Safety requirements


Compliances

The product complies with following Guide Lines

Identification Details Initiator Description
Approval marks CE SCHURTER AG The CE marking declares that the product complies with the applicable requirements laid down in the harmonisation of Community legislation on its affixing in accordance with EU Regulation 765/2008.
Approval marks Zulassung_Symbol_UKCA SCHURTER AG The UKCA marking declares that the product complies with the applicable requirements laid down in the British Amendment of Regulation (EC) 765/2008.
Environment_Safety RoHS_Logo_color_CMYK_tif SCHURTER AG Directive RoHS 2011/65/EU, Amendment (EU) 2015/863
Environment_Safety REACH SCHURTER AG On 1 June 2007, Regulation (EC) No 1907/2006 on the Registration, Evaluation, Authorization and Restriction of Chemicals 1 (abbreviated as "REACH") entered into force.

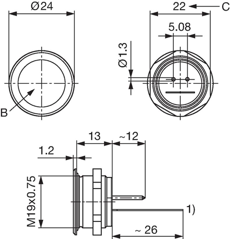
Dimension [mm]

PSE 19 with Pins

PSE 19

Drilling diagram

The last three digits in the order number define the lettering:  
001-076 Standard Lettering
101- Customized Lettering
Material Lettering Colour    
Stainless Steel black Filled letters  
Aluminum natural anodized light grey Filled letters (only after customer approval)
Aluminum coloured anodized light grey Filled letters  
Laser Marking      
001 = A 021 = U 041 = ÷ 061 = EIN
002 = B 022 = V 042 = ✳ 062 = AUS
003 = C 023 = W 043 = = 063 = AUF
004 = D 024 = X 044 = # 064 = AB
005 = E 025 = Y 045 = ↔ 065 = ON
006 = F 026 = Z 046 = ↕ 066 = OFF
007 = G 027 = 0 047 = → 067 = UP
008 = H 028 = 1 048 = ← 068 = DOWN
009 = I 029 = 2 049 = ↓ 069 = HIGH
010 = J 030 = 3 050 = ↑ 070 = LOW
011 = K 031 = 4 051 = % 071 = ON/OFF
012 = L 032 = 5 052 = √ 072 = START
013 = M 033 = 6 053 = CTRL 073 = RESET
014 = N 034 = 7 054 = RETURN 074 = Symbol_Indize_074_Beschriftung_ES
015 = O 035 = 8 055 = SHIFT 075 = Symbol_Indize_075_Beschriftung_ES
016 = P 036 = 9 056 = LOCK 076 = Symbol_Indize_076_Beschriftung_ES
017 = Q 037 = + 057 = STOP 077 = Symbol_Indize_077_Beschriftung_ES
018 = R 038 = - 058 = ENTER  
019 = S 039 = . 059 = BACK  
020 = T 040 = x 060 = LINE  
Please note that the font size depends on the number of characters
PSE_EX_Verpackung_ML
- Actuating elements in ESD safe packaging
- Screw nuts and sealing O-ring in a bag (enclosed in the box)

Short Table of Variants PSE EX 19 Open complete table PSE EX 19

Mounting Diameter [mm] Terminal Housing Material Order Number
Symbols, Footprints, 3D-Models Free Sample

Free Sample


Please ask for free sample in order to check if the products meets your requirement for your application.
Send your delivery adress and your specific requirements.

Distributor Stock Check

Distributor Stock Check


The following links refers to the inquiry form for distributors stock information of the selected products. It allows checking for the available amount and optionally to place an order at your selected partner.
The stock availability at the distributors may also be called up separately and the desired product manually entered.
Stock Check Distributor

...
 
19 Pins Aluminum 1241.2475.3 ...
19 Pins Aluminum 1241.2475.5 ...
19 Pins Aluminum 1241.2475.8 ...
Annotation to the protection type:
- The explosion protected piezo switch element (PSE EX) has the function of a NO (normally open) switch.
- Permissible voltage and current of the PSE EX are limited, so that the PSE EX is intrinsically safe in accordance with EN60079-11 (see Technical Data).
- The use of the PSE EX is permitted in areas where the formation of explosive athmospheres caused by gases, fumes, mist or dust mixing with air occurs occasionally. The explosion protected PSE is classified according to EN 600079-0 in the device group II, category 2.
Attention:
- The permissible operating temperature is - 20°C to 60°C.
- The approval will cease when the type label is removed.
- The switch has to be installed and used according to IEC/EN 60079-14 and IEC/EN 60079-25.
The listed item numbers represent a selection of the range of piezo switches. Other mounting diameters, materials, colors, connections and symbols are available on request.Special materials for use in salt and chlorinated environment on request.
The MOQ for standard laser lettering on standard variants is a packing unit.

Packaging unit 10 in cardboard box packed in air cushion bag with instruction manual 

0307001100000034249
LOADING...
Alternative: Other diameter (1)

[Swipe to the left and right for more options]

Accessories (1)

[Swipe to the left and right for more options]

Connecting Terminal PSE

Connecting Terminal


02.09.2025
   
en prod By changing the catalog version (Desktop <> Mobile), the system is resetting the chosen filters