Free Sample
Please ask for free sample in order to check if the products meets your requirement for your application.
		
Send your delivery adress and your specific requirements.
	
  
 
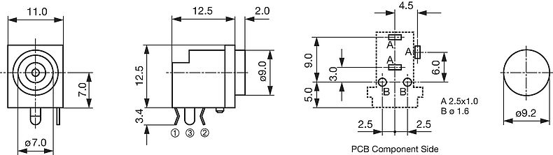
        Diameter
7.0 mm / 4.0 mm / 1.45 mm
Number of Poles
2-pole
Ratings DC
2 A / 18 VDC
Dielectric Strength
500 VDC
Insulation Resistance
> 100 MΩ␣ @ 500 VDC
Allowable Operation Temperature
-20 °C to 70 °C
Terminal
PCB terminals silver plated
Mounting
Drop-in type
Style
straight
Lifetime
5000 Insertions
Detailed information on product approvals, code requirements, usage instructions and detailed test conditions can be looked up in 
Details about Approvals
SCHURTER products are designed for use in industrial environments. They have approvals from independent testing bodies according to national and international standards. Products with specific characteristics and requirements such as required in the automotive sector according to IATF 16949, medical technology according to ISO 13485 or in the aerospace industry can be offered exclusively with customer-specific, individual agreements by SCHURTER.
The product complies with following Guide Lines
| Identification | Details | Initiator | Description | 
|---|---|---|---|
|   | SCHURTER AG | Directive RoHS 2011/65/EU, Amendment (EU) 2015/863 | |
|   | SCHURTER AG | The law SJ / T 11363-2006 (China RoHS) has been in force since 1 March 2007. It is similar to the EU directive RoHS. | |
|   | SCHURTER AG | On 1 June 2007, Regulation (EC) No 1907/2006 on the Registration, Evaluation, Authorization and Restriction of Chemicals 1 (abbreviated as "REACH") entered into force. | 
| Product group | Diameter [mm] | Number of Poles | Order Number | Symbols, Footprints, 3D-Models | Free Sample Free Sample 
 | Distributor Stock Check Distributor Stock Check 
 | ... | |
|---|---|---|---|---|---|---|---|---|
| DC Plug/Socket | 7.0 | 2-pole | 4840.2232 |  | - | ... | 
| Packaging unit | 400 Pcs |