Free Sample
Please ask for free sample in order to check if the products meets your requirement for your application.
		
Send your delivery adress and your specific requirements.
	
  
 
        Rated Voltage
250/500/750/1000 VDC
Rated current
100 - 900 A
Breaking Capacity
up to 50 kA
Characteristic
EV Fuse
Mounting
Bolt-on
Admissible Ambient Temp.
-40 °C to 125 °C
Material: Terminals
Copper alloy, tin-plated
Material: Tube
Ceramic / Resin
Material: Endcaps
Copper Alloy
Storage Conditions
-40 °C to 70 °C, max. 70% r.h.
Product Marking
 , Type, Rated current, Rated Voltage, Breaking Capacity, Approvals
, Type, Rated current, Rated Voltage, Breaking Capacity, Approvals
Resistance to Vibration
acc. to IEC 60068-2-6, test Fc
Mechanical Shock
MIL-STD-202, Method 213 Condition C
Detailed information on product approvals, code requirements, usage instructions and detailed test conditions can be looked up in 
Details about Approvals
SCHURTER products are designed for use in industrial environments. They have approvals from independent testing bodies according to national and international standards. Products with specific characteristics and requirements such as required in the automotive sector according to IATF 16949, medical technology according to ISO 13485 or in the aerospace industry can be offered exclusively with customer-specific, individual agreements by SCHURTER.
The approval mark is used by the testing authorities to certify compliance with the safety requirements placed on electronic products.
Approval Reference Type: ALO
| Approval Logo | Certificates | Certification Body | Description | 
|---|---|---|---|
|   | UL | UR File Number: 548130 | 
Product standards that are referenced
| Organization | Design | Standard | Description | 
|---|---|---|---|
|   | Designed according to | UL 248-20 | Low-Voltage Fuses - Part 20: Electric Vehicle (EV) Fuses | 
|   | Designed according to | ISO 8820-8 | High-voltage fuses for vehicles - Part 8: Fuse-links with bolt-in contacts (Type H and J) with rated voltage of 450V | 
|   | Designed according to | GB/T31465.6 | Road vehicles - Fuse-link - Part 6: Fuse-links with bolt-in contacts with high voltage | 
|   | Designed according to | JASO D622 | Automotive parts - Bolt-in type high-voltage fuse-links | 
The product complies with following Guide Lines
| Identification | Details | Initiator | Description | 
|---|---|---|---|
|   | SCHURTER AG | Directive RoHS 2011/65/EU, Amendment (EU) 2015/863 | |
|   | SCHURTER AG | The law SJ / T 11363-2006 (China RoHS) has been in force since 1 March 2007. It is similar to the EU directive RoHS. | |
|   | SCHURTER AG | On 1 June 2007, Regulation (EC) No 1907/2006 on the Registration, Evaluation, Authorization and Restriction of Chemicals 1 (abbreviated as "REACH") entered into force. | 
| Rated Current In | 1.1 x In min. | 2.0 x In min. | 2.0 x In max. | 3.0 x In min. | 3.0 x In max. | 5.0 x In min. | 5.0 x In max. | 
|---|---|---|---|---|---|---|---|
| 100 A - 900 A | 4 h | 1 s | 300 s | 200 ms | 30 s | 50 ms | 1 s | 
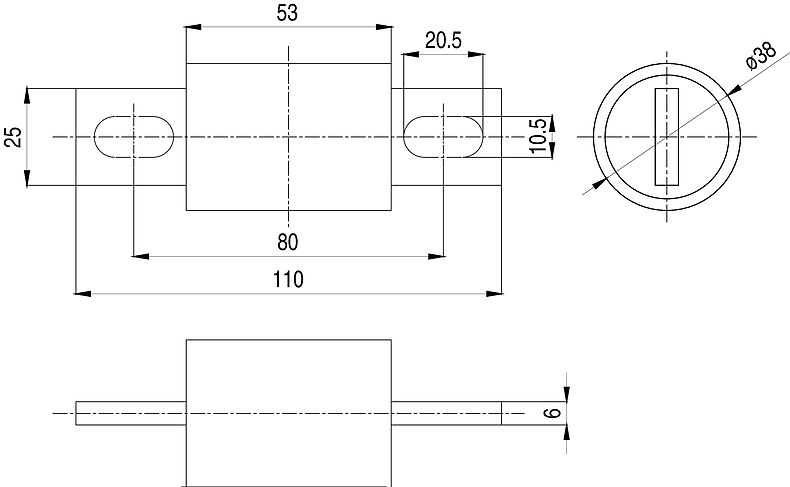
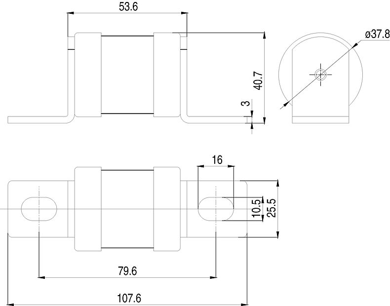
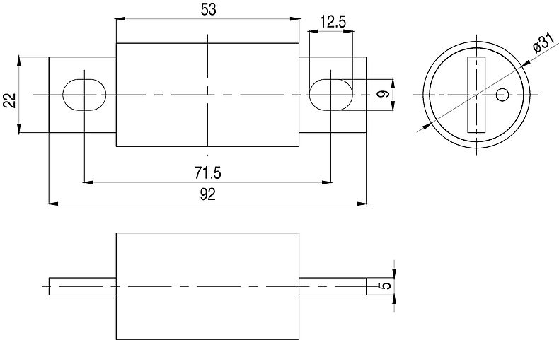
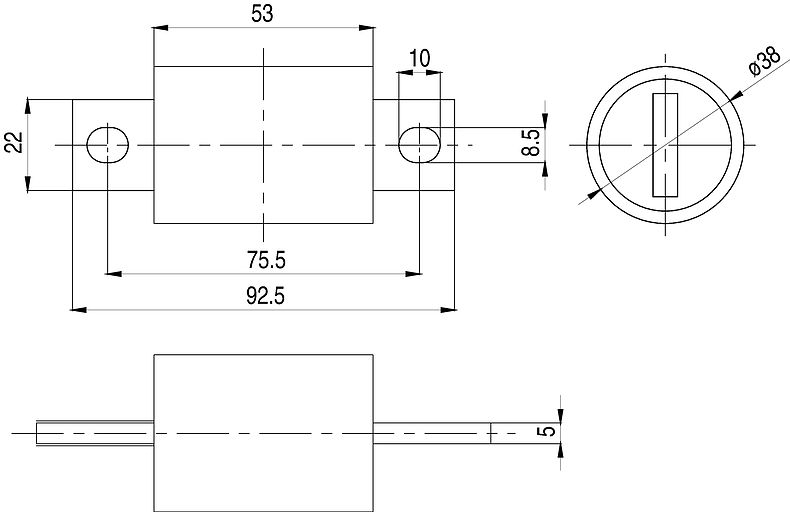
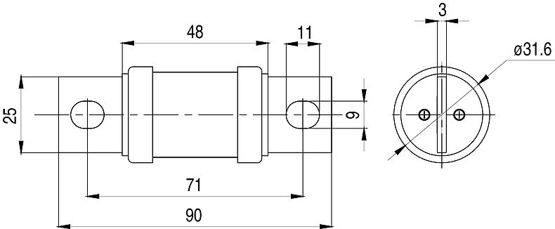
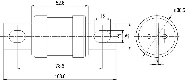
| Rated Current [A] | Rated Voltage [VDC] | Dimension Code | Order Number | Symbols, Footprints, 3D-Models | Free Sample Free Sample 
 | Distributor Stock Check Distributor Stock Check 
 | ... | |||||||||||||||||||||||||||||||||||||||||||||||||||||||||||||||||||||||||||||||||||||||||||
|---|---|---|---|---|---|---|---|---|---|---|---|---|---|---|---|---|---|---|---|---|---|---|---|---|---|---|---|---|---|---|---|---|---|---|---|---|---|---|---|---|---|---|---|---|---|---|---|---|---|---|---|---|---|---|---|---|---|---|---|---|---|---|---|---|---|---|---|---|---|---|---|---|---|---|---|---|---|---|---|---|---|---|---|---|---|---|---|---|---|---|---|---|---|---|---|---|---|---|
| 100 | 500 | 3148 | 3-156-224 |  | - | ... | ||||||||||||||||||||||||||||||||||||||||||||||||||||||||||||||||||||||||||||||||||||||||||||
| 125 | 500 | 3148 | 3-156-225 |  | - | ... | ||||||||||||||||||||||||||||||||||||||||||||||||||||||||||||||||||||||||||||||||||||||||||||
| 150 | 500 | 3148 | 3-156-226 |  | - | ... | ||||||||||||||||||||||||||||||||||||||||||||||||||||||||||||||||||||||||||||||||||||||||||||
| 200 | 500 | 3148 | 3-156-227 |  | - | ... | ||||||||||||||||||||||||||||||||||||||||||||||||||||||||||||||||||||||||||||||||||||||||||||
| 250 | 500 | 3148 | 3-156-228 |  | - | ... | ||||||||||||||||||||||||||||||||||||||||||||||||||||||||||||||||||||||||||||||||||||||||||||
| 300 | 500 | 3148 | 3-156-229 |  | - | ... | ||||||||||||||||||||||||||||||||||||||||||||||||||||||||||||||||||||||||||||||||||||||||||||
| 350 | 500 | 3148 | 3-156-230 |  | - | ... | ||||||||||||||||||||||||||||||||||||||||||||||||||||||||||||||||||||||||||||||||||||||||||||
| 100 | 500 | 3148 | 3-156-231 |  | - | ... | ||||||||||||||||||||||||||||||||||||||||||||||||||||||||||||||||||||||||||||||||||||||||||||
| 125 | 500 | 3148 | 3-156-232 |  | - | ... | ||||||||||||||||||||||||||||||||||||||||||||||||||||||||||||||||||||||||||||||||||||||||||||
| 150 | 500 | 3148 | 3-156-233 |  | - | ... | ||||||||||||||||||||||||||||||||||||||||||||||||||||||||||||||||||||||||||||||||||||||||||||
| 200 | 500 | 3148 | 3-156-234 |  | - | ... | ||||||||||||||||||||||||||||||||||||||||||||||||||||||||||||||||||||||||||||||||||||||||||||
| 250 | 500 | 3148 | 3-156-235 |  | - | ... | ||||||||||||||||||||||||||||||||||||||||||||||||||||||||||||||||||||||||||||||||||||||||||||
| 300 | 500 | 3148 | 3-156-236 |  | - | ... | ||||||||||||||||||||||||||||||||||||||||||||||||||||||||||||||||||||||||||||||||||||||||||||
| 350 | 500 | 3148 | 3-156-237 |  | - | ... | ||||||||||||||||||||||||||||||||||||||||||||||||||||||||||||||||||||||||||||||||||||||||||||
| 160 | 250 | 3734 | 3-156-238 |  | - | ... | ||||||||||||||||||||||||||||||||||||||||||||||||||||||||||||||||||||||||||||||||||||||||||||
| 200 | 250 | 3734 | 3-156-239 |  | - | ... | ||||||||||||||||||||||||||||||||||||||||||||||||||||||||||||||||||||||||||||||||||||||||||||
| 250 | 250 | 3734 | 3-156-240 |  | - | ... | ||||||||||||||||||||||||||||||||||||||||||||||||||||||||||||||||||||||||||||||||||||||||||||
| 300 | 250 | 3734 | 3-156-241 |  | - | ... | ||||||||||||||||||||||||||||||||||||||||||||||||||||||||||||||||||||||||||||||||||||||||||||
| 315 | 250 | 3734 | 3-156-242 |  | - | ... | ||||||||||||||||||||||||||||||||||||||||||||||||||||||||||||||||||||||||||||||||||||||||||||
| 350 | 250 | 3734 | 3-156-243 |  | - | ... | ||||||||||||||||||||||||||||||||||||||||||||||||||||||||||||||||||||||||||||||||||||||||||||
| 400 | 250 | 3734 | 3-156-244 |  | - | ... | ||||||||||||||||||||||||||||||||||||||||||||||||||||||||||||||||||||||||||||||||||||||||||||
| 450 | 250 | 3734 | 3-156-245 |  | - | ... | ||||||||||||||||||||||||||||||||||||||||||||||||||||||||||||||||||||||||||||||||||||||||||||
| 500 | 250 | 3734 | 3-156-246 |  | - | ... | ||||||||||||||||||||||||||||||||||||||||||||||||||||||||||||||||||||||||||||||||||||||||||||
| 600 | 250 | 3734 | 3-156-247 |  | - | ... | ||||||||||||||||||||||||||||||||||||||||||||||||||||||||||||||||||||||||||||||||||||||||||||
| 200 | 500 | 3852 | 3-156-248 |  | - | ... | ||||||||||||||||||||||||||||||||||||||||||||||||||||||||||||||||||||||||||||||||||||||||||||
| 250 | 500 | 3852 | 3-156-249 |  | - | ... | ||||||||||||||||||||||||||||||||||||||||||||||||||||||||||||||||||||||||||||||||||||||||||||
| 300 | 500 | 3852 | 3-156-250 |  | - | ... | ||||||||||||||||||||||||||||||||||||||||||||||||||||||||||||||||||||||||||||||||||||||||||||
| 350 | 500 | 3852 | 3-156-251 |  | - | ... | ||||||||||||||||||||||||||||||||||||||||||||||||||||||||||||||||||||||||||||||||||||||||||||
| 400 | 500 | 3852 | 3-156-252 |  | - | ... | ||||||||||||||||||||||||||||||||||||||||||||||||||||||||||||||||||||||||||||||||||||||||||||
| 450 | 500 | 3852 | 3-156-253 |  | - | ... | ||||||||||||||||||||||||||||||||||||||||||||||||||||||||||||||||||||||||||||||||||||||||||||
| 500 | 500 | 3852 | 3-156-254 |  | - | ... | ||||||||||||||||||||||||||||||||||||||||||||||||||||||||||||||||||||||||||||||||||||||||||||
| 125 | 500 | 3852 | 3-156-263 |  | - | ... | ||||||||||||||||||||||||||||||||||||||||||||||||||||||||||||||||||||||||||||||||||||||||||||
| 150 | 500 | 3852 | 3-156-264 |  | - | ... | ||||||||||||||||||||||||||||||||||||||||||||||||||||||||||||||||||||||||||||||||||||||||||||
| 200 | 500 | 3852 | 3-156-265 |  | - | ... | ||||||||||||||||||||||||||||||||||||||||||||||||||||||||||||||||||||||||||||||||||||||||||||
| 250 | 500 | 3852 | 3-156-266 |  | - | ... | ||||||||||||||||||||||||||||||||||||||||||||||||||||||||||||||||||||||||||||||||||||||||||||
| 300 | 500 | 3852 | 3-156-267 |  | - | ... | ||||||||||||||||||||||||||||||||||||||||||||||||||||||||||||||||||||||||||||||||||||||||||||
| 350 | 500 | 3852 | 3-156-268 |  | - | ... | ||||||||||||||||||||||||||||||||||||||||||||||||||||||||||||||||||||||||||||||||||||||||||||
| 400 | 500 | 3852 | 3-156-269 |  | - | ... | ||||||||||||||||||||||||||||||||||||||||||||||||||||||||||||||||||||||||||||||||||||||||||||
| 450 | 500 | 3852 | 3-156-270 |  | - | ... | ||||||||||||||||||||||||||||||||||||||||||||||||||||||||||||||||||||||||||||||||||||||||||||
| 500 | 500 | 3852 | 3-156-271 |  | - | ... | ||||||||||||||||||||||||||||||||||||||||||||||||||||||||||||||||||||||||||||||||||||||||||||
| 250 | 1000 | 5074 | 3-156-285 |  | - | ... | ||||||||||||||||||||||||||||||||||||||||||||||||||||||||||||||||||||||||||||||||||||||||||||
| 300 | 1000 | 5074 | 3-156-286 |  | - | ... | ||||||||||||||||||||||||||||||||||||||||||||||||||||||||||||||||||||||||||||||||||||||||||||
| 350 | 1000 | 5074 | 3-156-287 |  | - | ... | ||||||||||||||||||||||||||||||||||||||||||||||||||||||||||||||||||||||||||||||||||||||||||||
| 400 | 1000 | 5074 | 3-156-288 |  | - | ... | ||||||||||||||||||||||||||||||||||||||||||||||||||||||||||||||||||||||||||||||||||||||||||||
| 450 | 1000 | 5074 | 3-156-289 |  | - | ... | ||||||||||||||||||||||||||||||||||||||||||||||||||||||||||||||||||||||||||||||||||||||||||||
| 500 | 1000 | 5074 | 3-156-290 |  | - | ... | ||||||||||||||||||||||||||||||||||||||||||||||||||||||||||||||||||||||||||||||||||||||||||||
| 100 | 500 | 3153 | 3-156-291 |  | - | ... | ||||||||||||||||||||||||||||||||||||||||||||||||||||||||||||||||||||||||||||||||||||||||||||
| 125 | 500 | 3153 | 3-156-292 |  | - | ... | ||||||||||||||||||||||||||||||||||||||||||||||||||||||||||||||||||||||||||||||||||||||||||||
| 150 | 500 | 3153 | 3-156-293 |  | - | ... | ||||||||||||||||||||||||||||||||||||||||||||||||||||||||||||||||||||||||||||||||||||||||||||
| 200 | 500 | 3153 | 3-156-294 |  | - | ... | ||||||||||||||||||||||||||||||||||||||||||||||||||||||||||||||||||||||||||||||||||||||||||||
| 250 | 500 | 3153 | 3-156-295 |  | - | ... | ||||||||||||||||||||||||||||||||||||||||||||||||||||||||||||||||||||||||||||||||||||||||||||
| 300 | 500 | 3153 | 3-156-296 |  | - | ... | ||||||||||||||||||||||||||||||||||||||||||||||||||||||||||||||||||||||||||||||||||||||||||||
| 350 | 500 | 3153 | 3-156-297 |  | - | ... | ||||||||||||||||||||||||||||||||||||||||||||||||||||||||||||||||||||||||||||||||||||||||||||
| 400 | 500 | 3153 | 3-156-298 |  | - | ... | ||||||||||||||||||||||||||||||||||||||||||||||||||||||||||||||||||||||||||||||||||||||||||||
| 100 | 500 | 3153 | 3-156-301 |  | - | ... | ||||||||||||||||||||||||||||||||||||||||||||||||||||||||||||||||||||||||||||||||||||||||||||
| 125 | 500 | 3153 | 3-156-302 |  | - | ... | ||||||||||||||||||||||||||||||||||||||||||||||||||||||||||||||||||||||||||||||||||||||||||||
| 150 | 500 | 3153 | 3-156-303 |  | - | ... | ||||||||||||||||||||||||||||||||||||||||||||||||||||||||||||||||||||||||||||||||||||||||||||
| 200 | 500 | 3153 | 3-156-304 |  | - | ... | ||||||||||||||||||||||||||||||||||||||||||||||||||||||||||||||||||||||||||||||||||||||||||||
| 250 | 500 | 3153 | 3-156-305 |  | - | ... | ||||||||||||||||||||||||||||||||||||||||||||||||||||||||||||||||||||||||||||||||||||||||||||
| 300 | 500 | 3153 | 3-156-306 |  | - | ... | ||||||||||||||||||||||||||||||||||||||||||||||||||||||||||||||||||||||||||||||||||||||||||||
| 350 | 500 | 3153 | 3-156-307 |  | - | ... | ||||||||||||||||||||||||||||||||||||||||||||||||||||||||||||||||||||||||||||||||||||||||||||
| 400 | 500 | 3153 | 3-156-308 |  | - | ... | ||||||||||||||||||||||||||||||||||||||||||||||||||||||||||||||||||||||||||||||||||||||||||||
| 200 | 500 | 3853 | 3-156-311 |  | - | ... | ||||||||||||||||||||||||||||||||||||||||||||||||||||||||||||||||||||||||||||||||||||||||||||
| 250 | 500 | 3853 | 3-156-312 |  | - | ... | ||||||||||||||||||||||||||||||||||||||||||||||||||||||||||||||||||||||||||||||||||||||||||||
| 300 | 500 | 3853 | 3-156-313 |  | - | ... | ||||||||||||||||||||||||||||||||||||||||||||||||||||||||||||||||||||||||||||||||||||||||||||
| 350 | 500 | 3853 | 3-156-314 |  | - | ... | ||||||||||||||||||||||||||||||||||||||||||||||||||||||||||||||||||||||||||||||||||||||||||||
| 400 | 500 | 3853 | 3-156-315 |  | - | ... | ||||||||||||||||||||||||||||||||||||||||||||||||||||||||||||||||||||||||||||||||||||||||||||
| 450 | 500 | 3853 | 3-156-316 |  | - | ... | ||||||||||||||||||||||||||||||||||||||||||||||||||||||||||||||||||||||||||||||||||||||||||||
| 500 | 500 | 3853 | 3-156-317 |  | - | ... | ||||||||||||||||||||||||||||||||||||||||||||||||||||||||||||||||||||||||||||||||||||||||||||
| 550 | 500 | 3853 | 3-156-318 |  | - | ... | ||||||||||||||||||||||||||||||||||||||||||||||||||||||||||||||||||||||||||||||||||||||||||||
| 630 | 500 | 3853 | 3-156-319 |  | - | ... | ||||||||||||||||||||||||||||||||||||||||||||||||||||||||||||||||||||||||||||||||||||||||||||
| 700 | 500 | 3853 | 3-156-320 |  | - | ... | ||||||||||||||||||||||||||||||||||||||||||||||||||||||||||||||||||||||||||||||||||||||||||||
| 200 | 500 | 3853 | 3-156-329 |  | - | ... | ||||||||||||||||||||||||||||||||||||||||||||||||||||||||||||||||||||||||||||||||||||||||||||
| 225 | 500 | 3853 | 3-156-330 |  | - | ... | ||||||||||||||||||||||||||||||||||||||||||||||||||||||||||||||||||||||||||||||||||||||||||||
| 250 | 500 | 3853 | 3-156-331 |  | - | ... | ||||||||||||||||||||||||||||||||||||||||||||||||||||||||||||||||||||||||||||||||||||||||||||
| 300 | 500 | 3853 | 3-156-332 |  | - | ... | ||||||||||||||||||||||||||||||||||||||||||||||||||||||||||||||||||||||||||||||||||||||||||||
| 350 | 500 | 3853 | 3-156-333 |  | - | ... | ||||||||||||||||||||||||||||||||||||||||||||||||||||||||||||||||||||||||||||||||||||||||||||
| 400 | 500 | 3853 | 3-156-334 |  | - | ... | ||||||||||||||||||||||||||||||||||||||||||||||||||||||||||||||||||||||||||||||||||||||||||||
| 450 | 500 | 3853 | 3-156-335 |  | - | ... | ||||||||||||||||||||||||||||||||||||||||||||||||||||||||||||||||||||||||||||||||||||||||||||
| 500 | 500 | 3853 | 3-156-336 |  | - | ... | ||||||||||||||||||||||||||||||||||||||||||||||||||||||||||||||||||||||||||||||||||||||||||||
| 550 | 500 | 3853 | 3-156-337 |  | - | ... | ||||||||||||||||||||||||||||||||||||||||||||||||||||||||||||||||||||||||||||||||||||||||||||
| 600 | 500 | 3853 | 3-156-338 |  | - | ... | ||||||||||||||||||||||||||||||||||||||||||||||||||||||||||||||||||||||||||||||||||||||||||||
| 630 | 500 | 3853 | 3-156-339 |  | - | ... | ||||||||||||||||||||||||||||||||||||||||||||||||||||||||||||||||||||||||||||||||||||||||||||
| 700 | 500 | 3853 | 3-156-340 |  | - | ... | ||||||||||||||||||||||||||||||||||||||||||||||||||||||||||||||||||||||||||||||||||||||||||||
| 200 | 500 | 3853 | 3-156-350 |  | - | ... | ||||||||||||||||||||||||||||||||||||||||||||||||||||||||||||||||||||||||||||||||||||||||||||
| 225 | 500 | 3853 | 3-156-351 |  | - | ... | ||||||||||||||||||||||||||||||||||||||||||||||||||||||||||||||||||||||||||||||||||||||||||||
| 250 | 500 | 3853 | 3-156-352 |  | - | ... | ||||||||||||||||||||||||||||||||||||||||||||||||||||||||||||||||||||||||||||||||||||||||||||
| 300 | 500 | 3853 | 3-156-353 |  | - | ... | ||||||||||||||||||||||||||||||||||||||||||||||||||||||||||||||||||||||||||||||||||||||||||||
| 350 | 500 | 3853 | 3-156-354 |  | - | ... | ||||||||||||||||||||||||||||||||||||||||||||||||||||||||||||||||||||||||||||||||||||||||||||
| 400 | 500 | 3853 | 3-156-355 |  | - | ... | ||||||||||||||||||||||||||||||||||||||||||||||||||||||||||||||||||||||||||||||||||||||||||||
| 450 | 500 | 3853 | 3-156-356 |  | - | ... | ||||||||||||||||||||||||||||||||||||||||||||||||||||||||||||||||||||||||||||||||||||||||||||
| 500 | 500 | 3853 | 3-156-357 |  | - | ... | ||||||||||||||||||||||||||||||||||||||||||||||||||||||||||||||||||||||||||||||||||||||||||||
| 550 | 500 | 3853 | 3-156-358 |  | - | ... | ||||||||||||||||||||||||||||||||||||||||||||||||||||||||||||||||||||||||||||||||||||||||||||
| 600 | 500 | 3853 | 3-156-359 |  | - | ... | ||||||||||||||||||||||||||||||||||||||||||||||||||||||||||||||||||||||||||||||||||||||||||||
| 630 | 500 | 3853 | 3-156-360 |  | - | ... | ||||||||||||||||||||||||||||||||||||||||||||||||||||||||||||||||||||||||||||||||||||||||||||
| 700 | 500 | 3853 | 3-156-361 |  | - | ... | ||||||||||||||||||||||||||||||||||||||||||||||||||||||||||||||||||||||||||||||||||||||||||||
| 200 | 500 | 3853 | 3-156-371 |  | - | ... | ||||||||||||||||||||||||||||||||||||||||||||||||||||||||||||||||||||||||||||||||||||||||||||
| 225 | 500 | 3853 | 3-156-372 |  | - | ... | ||||||||||||||||||||||||||||||||||||||||||||||||||||||||||||||||||||||||||||||||||||||||||||
| 250 | 500 | 3853 | 3-156-373 |  | - | ... | ||||||||||||||||||||||||||||||||||||||||||||||||||||||||||||||||||||||||||||||||||||||||||||
| 300 | 500 | 3853 | 3-156-374 |  | - | ... | ||||||||||||||||||||||||||||||||||||||||||||||||||||||||||||||||||||||||||||||||||||||||||||
| 350 | 500 | 3853 | 3-156-375 |  | - | ... | ||||||||||||||||||||||||||||||||||||||||||||||||||||||||||||||||||||||||||||||||||||||||||||
| 400 | 500 | 3853 | 3-156-376 |  | - | ... | ||||||||||||||||||||||||||||||||||||||||||||||||||||||||||||||||||||||||||||||||||||||||||||
| 450 | 500 | 3853 | 3-156-377 |  | - | ... | ||||||||||||||||||||||||||||||||||||||||||||||||||||||||||||||||||||||||||||||||||||||||||||
| 500 | 500 | 3853 | 3-156-378 |  | - | ... | ||||||||||||||||||||||||||||||||||||||||||||||||||||||||||||||||||||||||||||||||||||||||||||
| 550 | 500 | 3853 | 3-156-379 |  | - | ... | ||||||||||||||||||||||||||||||||||||||||||||||||||||||||||||||||||||||||||||||||||||||||||||
| 600 | 500 | 3853 | 3-156-380 |  | - | ... | ||||||||||||||||||||||||||||||||||||||||||||||||||||||||||||||||||||||||||||||||||||||||||||
| 630 | 500 | 3853 | 3-156-381 |  | - | ... | ||||||||||||||||||||||||||||||||||||||||||||||||||||||||||||||||||||||||||||||||||||||||||||
| 700 | 500 | 3853 | 3-156-382 |  | - | ... | ||||||||||||||||||||||||||||||||||||||||||||||||||||||||||||||||||||||||||||||||||||||||||||
| 250 | 750 | 5072 | 3-156-388 |  | - | ... | ||||||||||||||||||||||||||||||||||||||||||||||||||||||||||||||||||||||||||||||||||||||||||||
| 275 | 750 | 5072 | 3-156-389 |  | - | ... | ||||||||||||||||||||||||||||||||||||||||||||||||||||||||||||||||||||||||||||||||||||||||||||
| 300 | 750 | 5072 | 3-156-390 |  | - | ... | ||||||||||||||||||||||||||||||||||||||||||||||||||||||||||||||||||||||||||||||||||||||||||||
| 315 | 750 | 5072 | 3-156-391 |  | - | ... | ||||||||||||||||||||||||||||||||||||||||||||||||||||||||||||||||||||||||||||||||||||||||||||
| 350 | 750 | 5072 | 3-156-392 |  | - | ... | ||||||||||||||||||||||||||||||||||||||||||||||||||||||||||||||||||||||||||||||||||||||||||||
| 400 | 750 | 5072 | 3-156-393 |  | - | ... | ||||||||||||||||||||||||||||||||||||||||||||||||||||||||||||||||||||||||||||||||||||||||||||
| 450 | 750 | 5072 | 3-156-394 |  | - | ... | ||||||||||||||||||||||||||||||||||||||||||||||||||||||||||||||||||||||||||||||||||||||||||||
| 500 | 750 | 5072 | 3-156-395 |  | - | ... | ||||||||||||||||||||||||||||||||||||||||||||||||||||||||||||||||||||||||||||||||||||||||||||
| 550 | 750 | 5072 | 3-156-396 |  | - | ... | ||||||||||||||||||||||||||||||||||||||||||||||||||||||||||||||||||||||||||||||||||||||||||||
| 600 | 750 | 5072 | 3-156-397 |  | - | ... | ||||||||||||||||||||||||||||||||||||||||||||||||||||||||||||||||||||||||||||||||||||||||||||
| 630 | 750 | 5072 | 3-156-398 |  | - | ... | ||||||||||||||||||||||||||||||||||||||||||||||||||||||||||||||||||||||||||||||||||||||||||||
| 700 | 750 | 5072 | 3-156-399 |  | - | ... | ||||||||||||||||||||||||||||||||||||||||||||||||||||||||||||||||||||||||||||||||||||||||||||
| 750 | 750 | 5072 | 3-156-400 |  | - | ... | ||||||||||||||||||||||||||||||||||||||||||||||||||||||||||||||||||||||||||||||||||||||||||||
| 800 | 750 | 5072 | 3-156-401 |  | - | ... | ||||||||||||||||||||||||||||||||||||||||||||||||||||||||||||||||||||||||||||||||||||||||||||
| 850 | 750 | 5072 | 3-156-402 |  | - | ... | ||||||||||||||||||||||||||||||||||||||||||||||||||||||||||||||||||||||||||||||||||||||||||||
| 900 | 750 | 5072 | 3-156-403 |  | - | ... | ||||||||||||||||||||||||||||||||||||||||||||||||||||||||||||||||||||||||||||||||||||||||||||
| 250 | 1000 | 5072 | 3-156-404 |  | - | ... | ||||||||||||||||||||||||||||||||||||||||||||||||||||||||||||||||||||||||||||||||||||||||||||
| 300 | 1000 | 5072 | 3-156-405 |  | - | ... | ||||||||||||||||||||||||||||||||||||||||||||||||||||||||||||||||||||||||||||||||||||||||||||
| 325 | 1000 | 5072 | 3-156-406 |  | - | ... | ||||||||||||||||||||||||||||||||||||||||||||||||||||||||||||||||||||||||||||||||||||||||||||
| 350 | 1000 | 5072 | 3-156-407 |  | - | ... | ||||||||||||||||||||||||||||||||||||||||||||||||||||||||||||||||||||||||||||||||||||||||||||
| 400 | 1000 | 5072 | 3-156-408 |  | - | ... | ||||||||||||||||||||||||||||||||||||||||||||||||||||||||||||||||||||||||||||||||||||||||||||
| 450 | 1000 | 5072 | 3-156-409 |  | - | ... | ||||||||||||||||||||||||||||||||||||||||||||||||||||||||||||||||||||||||||||||||||||||||||||
| 500 | 1000 | 5072 | 3-156-410 |  | - | ... | ||||||||||||||||||||||||||||||||||||||||||||||||||||||||||||||||||||||||||||||||||||||||||||
| 550 | 1000 | 5072 | 3-156-411 |  | - | ... | ||||||||||||||||||||||||||||||||||||||||||||||||||||||||||||||||||||||||||||||||||||||||||||
| 600 | 1000 | 5072 | 3-156-412 |  | - | ... | ||||||||||||||||||||||||||||||||||||||||||||||||||||||||||||||||||||||||||||||||||||||||||||
| 650 | 1000 | 5072 | 3-156-413 |  | - | ... | ||||||||||||||||||||||||||||||||||||||||||||||||||||||||||||||||||||||||||||||||||||||||||||
| 700 | 1000 | 5072 | 3-156-414 |  | - | ... | ||||||||||||||||||||||||||||||||||||||||||||||||||||||||||||||||||||||||||||||||||||||||||||
| 800 | 1000 | 5072 | 3-156-415 |  | - | ... | ||||||||||||||||||||||||||||||||||||||||||||||||||||||||||||||||||||||||||||||||||||||||||||
| 900 | 1000 | 5072 | 3-156-416 |  | - | ... | ||||||||||||||||||||||||||||||||||||||||||||||||||||||||||||||||||||||||||||||||||||||||||||
| Breaking Capacity 1) 20 kA, L/R 2 ms 2) 25 kA, L/R 2 ms 3) 30 kA, L/R 5 ms 4) 50 kA, L/R 10 ms Measurement Parameters: Pre-Arcing and Melting 250 VDC: I²t [kA²s] @20 kA 500 VDC: I²t [kA²s] @20 kA 500 VDC Dimension 50 x 53: I²t [kA²s] @50 kA 750 VDC: I²t [kA²s] @20 kA 750 VDC Dimension 50 x 72: I²t [kA²s] @50 kA 1000 VDC Dimension 62 x 72: I²t [kA²s] @25 kA 1000 VDC Dimension 50 x 74: I²t [kA²s] @30 kA 1000 VDC Dimension 50 x 72: I²t [kA²s] @50 kA | ||||||||||||||||||||||||||||||||||||||||||||||||||||||||||||||||||||||||||||||||||||||||||||||||||