DSH  Storage Choke, high design

Series

DSH

Storage Choke, high design

Free Sample Request

16 Variants


Description

  • Storage choke
  • THT-terminals
  • Inductor vertically positioned in housing
  • Constant inductance at high alternating field modulation and large DC magnetization
  • Reduced magnetic reversal

Applications

  • Storage of energy in switched power supplies
  • Switch-mode
  • Chopper amplifiers
  • DC drives and stepper motor controls

Rated voltage

up to 600 VDC

Rated Current

0.45 - 4.5 A @ Ta 70 °C

Rated inductance

0.01 - 2 mH, Tol. ±15%

Power Operating Frequency

up to 1 MHz

Terminal Type

THT 

Weight

4 - 30 g

Material

UL 94V-0 

Sealing Compound

UL 94V-0 

Isolation Voltage

2 kV eff., winding to ambient

Climatic Category

40/125/21 acc. to IEC 60068-1

Allowable Operation Temp.

-40 °C to 125 °C

Detailed information on product approvals, code requirements, usage instructions and detailed test conditions can be looked up in  Details about Approvals
SCHURTER products are designed for use in industrial environments. They have approvals from independent testing bodies according to national and international standards. Products with specific characteristics and requirements such as required in the automotive sector according to IATF 16949, medical technology according to ISO 13485 or in the aerospace industry can be offered exclusively with customer-specific, individual agreements by SCHURTER.


Application standards

Application standards where the product can be used

Organization Design Standard Description
Approval marks IEC_Certification_Body Suitable for applications acc. IEC/UL 62368-1 Audio/video, information and communication technology equipment - Part 1: Safety requirements


Compliances

The product complies with following Guide Lines

Identification Details Initiator Description
Approval marks CE SCHURTER AG The CE marking declares that the product complies with the applicable requirements laid down in the harmonisation of Community legislation on its affixing in accordance with EU Regulation 765/2008.
Approval marks Zulassung_Symbol_UKCA SCHURTER AG The UKCA marking declares that the product complies with the applicable requirements laid down in the British Amendment of Regulation (EC) 765/2008.
Environment_Safety RoHS_Logo_color_CMYK_tif SCHURTER AG Directive RoHS 2011/65/EU, Amendment (EU) 2015/863
Environment_Safety China_RoHS_e_konform_eps SCHURTER AG The law SJ / T 11363-2006 (China RoHS) has been in force since 1 March 2007. It is similar to the EU directive RoHS.
Environment_Safety REACH SCHURTER AG On 1 June 2007, Regulation (EC) No 1907/2006 on the Registration, Evaluation, Authorization and Restriction of Chemicals 1 (abbreviated as "REACH") entered into force.

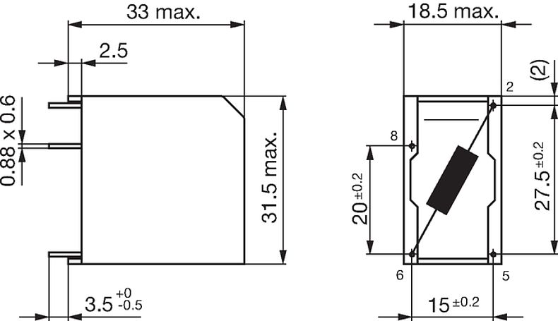
Dimension [mm]

Case 01-1

Case 09-1

Case 19-1


Diagrams

Application in DC-DC Converter

1) DC-Input unregulated
2) DC-Output regulated

Derating Curves

Inductance variation as function of the magnetizing current

Short Table of Variants DSH Open complete table DSH

In [A] Ln [mH] Rcu [mΩ] Order Number
Symbols, Footprints, 3D-Models Free Sample

Free Sample


Please ask for free sample in order to check if the products meets your requirement for your application.
Send your delivery adress and your specific requirements.

Distributor Stock Check

Distributor Stock Check


The following links refers to the inquiry form for distributors stock information of the selected products. It allows checking for the available amount and optionally to place an order at your selected partner.
The stock availability at the distributors may also be called up separately and the desired product manually entered.
Stock Check Distributor

...
 
0.6 0.14 280 DSH-14-0001 ...
1 0.05 100 DSH-14-0002 ...
2 0.012 25 DSH-14-0003 ...
0.45 2 1250 DSH-22-0001 ...
0.63 1 750 DSH-22-0002 ...
1 0.4 300 DSH-22-0003 ...
1.4 0.2 160 DSH-22-0004 ...
1.8 0.12 90 DSH-22-0005 ...
3.15 0.04 33 DSH-22-0006 ...
4.5 0.02 20 DSH-22-0007 ...
4.5 0.01 8 DSH-22-0008 ...
1.6 0.5 240 DSH-31-0001 ...
2 0.3 140 DSH-31-0002 ...
3.15 0.15 40 DSH-31-0003 ...
4 0.1 40 DSH-31-0004 ...
4.5 0.035 15 DSH-31-0005 ...
800810130000006066
LOADING...

02.09.2025
   
it prod Cambiando la versione del catalogo (Desktop <> Mobile), il sistema resetta i filtri scelti