FMBC BOOK STYLE  FMBC BOOK STYLE 2-step filter reclining
FMBC BOOK STYLE 2-step filter
reclining
FMBC BOOK STYLE  Compact 2-stage bookform filter
FMBC BOOK STYLE  FMBC BOOK STYLE 2-step filter reclining
FMBC BOOK STYLE  Compact 2-stage bookform filter

[DS_Series]: FMBC BOOK STYLE

Compact 2-stage bookform filter

Phase_Out_Logo

FMBC EP, FMBC NEO

[DS_Text_prevPDF]
Free Sample Request

Last order date: 31.01.2024

9 Variants


Description

  • Very compact and slim filter design

Applications

  • Voltage rating 480 VAC for world wide acceptance
  • Especially designed for industrial applications such as: Frequency Converters, Stepper Motor Drives, UPS-Systems, Inverters
  • Suitable for use in equipment according to IEC/UL 62368-1

Rated Current

Rated Current


The electrical characteristics describe the approved operating values for the state of rated current and rated voltage considering the mentioned conditions.
General information on electrical characteristics colors of fuses
Ratings IEC, UL/CSA General information on the rated current and the rated voltage at EMC products
Rated Voltage Rated current The values are different depending on the approval body and therefore are referenced in the corresponding admission cards for the respective product families. Details about the approvals and ratings are listed in the data sheets.
Search approval information for different families
Approvals

10 - 115 A @ Ta 40 °C

Rated voltage

Rated Current


The electrical characteristics describe the approved operating values for the state of rated current and rated voltage considering the mentioned conditions.
General information on electrical characteristics colors of fuses
Ratings IEC, UL/CSA General information on the rated current and the rated voltage at EMC products
Rated Voltage Rated current The values are different depending on the approval body and therefore are referenced in the corresponding admission cards for the respective product families. Details about the approvals and ratings are listed in the data sheets.
Search approval information for different families
Approvals

480 VAC 50/60 Hz

Approval for

Approval for


Approvals indicate the conformity of the products with the national testing institution requirements by listing of the relevant approval logos.

The link leads you to the search mask where you can query for certificates of the selected products.
Approvals
Detailed information about Approvals will be documented in the general product informations.
Details about Approvals

10 - 115 A @ Ta 40 °C / 480 VAC; 50 Hz

Overload Current

1.5 x Ir for 1 minute, per hour

Leakage Current

Leakage Current


The leakage current is an electric current flowing in an undesirable current path. In EMC filters this is done by the applied Y-capacitors, which are used for noise suppression. Information on the amount and classification of leakage currents are explained in detail and are listed in the data sheets.
Leakage Current

industrial < 5 mA (440 V / 50 Hz)

Dielectric Strength

Dielectric Strength


Information abou the maximum permissible voltage, to avoid a voltage breakdown due to insulation damage.
Dielectric Strength

480 VAC:
2.25 kVDC between L-L
3 kVDC between L-PE
Test voltage (2 sec)

between 3 kVDC L-PE
50 Hz

Number of Filter Stages

Filter Stages


Quality of a filter

2-stage

Weight

1.9 - 7.25 kg

Material: Housing

Metal 

Sealing Compound

UL 94V-0 

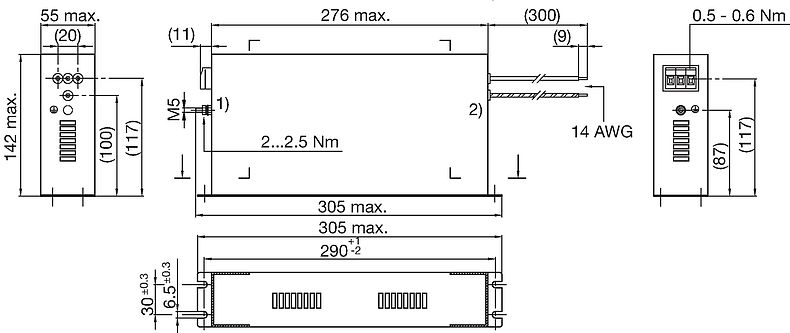
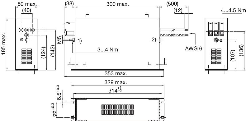
Mounting

Screw-on mounting on chassis, from top

Terminal

Terminal


AMP = standardized connector systems and contacts
Abbreviation for "Zero Insertion Force". The so-called ZIF connector takes the flexprint cable without effort, mostly with locking. The advantage of this connector is the gentle treatment of the pin

Screw clamps / flexible wires 

Operating Temperature

-25 °C to 100 °C

Climatic Category

Climatic Category


Disposition of components in categories for the assessment of mechanical and electrical properties.
Climatic Category

25/100/21 acc. to IEC 60068-1

Degree of Protection

Climatic Category


Disposition of components in categories for the assessment of mechanical and electrical properties.
Climatic Category

IP20 acc. to IEC 60529

Protection Class

Protection Class


Class I: with ground; Class II: without ground

Detailed information relating to protection class can also be found in the general product information
Protection against electric shock

Suitable for appliances with protection class I acc. to IEC 61140

MTBF

MTBF


The term MTBF is the English acronym Mean Time Between Failure and describes reliability of a component. The operating time of a system can be calculated based on thementioned value of the component. - The higher this value, the more reliable the component.
MTBF

> 200'000 h acc. to MIL-HB-217 F

Detailed information on product approvals, code requirements, usage instructions and detailed test conditions can be looked up in  Details about Approvals
SCHURTER products are designed for use in industrial environments. They have approvals from independent testing bodies according to national and international standards. Products with specific characteristics and requirements such as required in the automotive sector according to IATF 16949, medical technology according to ISO 13485 or in the aerospace industry can be offered exclusively with customer-specific, individual agreements by SCHURTER.


Approvals

The approval mark is used by the testing authorities to certify compliance with the safety requirements placed on electronic products.


Approval Reference Type: FMBC BOOK STYLE

Approval Logo Certificates Certification Body Description
Approval marks ENEC 10 VDE Certificate Number: 40004666
Approval marks cURus UL UR File Number: E72928


Product standards

Product standards that are referenced

Organization Design Standard Description
Partners IEC_Certification_Body Designed according to IEC 60939 Passive filters for suppressing electromagnetic interference


Application standards

Application standards where the product can be used

Organization Design Standard Description
Partners IEC_Certification_Body Suitable for applications acc. IEC/UL 62368-1 Audio/video, information and communication technology equipment - Part 1: Safety requirements


Compliances

The product complies with following Guide Lines

Identification Details Initiator Description
Approval marks CE Selbsteklaration SCHURTER AG The CE marking declares that the product complies with the applicable requirements laid down in the harmonisation of Community legislation on its affixing in accordance with EU Regulation 765/2008.
Approval marks Zulassung_Symbol_UKCA SCHURTER AG The UKCA marking declares that the product complies with the applicable requirements laid down in the British Amendment of Regulation (EC) 765/2008.
Environment_Safety RoHS_Logo_color_CMYK_tif SCHURTER AG Directive RoHS 2011/65/EU, Amendment (EU) 2015/863
Environment_Safety China_RoHS_e_konform_eps SCHURTER AG The law SJ / T 11363-2006 (China RoHS) has been in force since 1 March 2007. It is similar to the EU directive RoHS.
Environment_Safety REACH SCHURTER AG On 1 June 2007, Regulation (EC) No 1907/2006 on the Registration, Evaluation, Authorization and Restriction of Chemicals 1 (abbreviated as "REACH") entered into force.

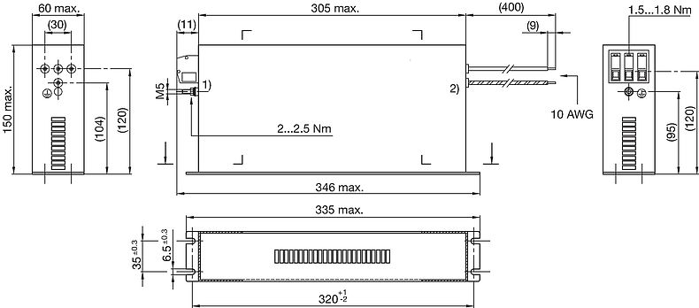
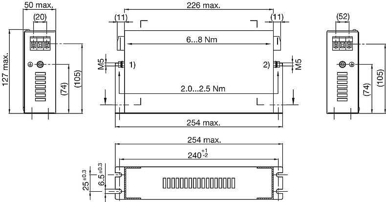
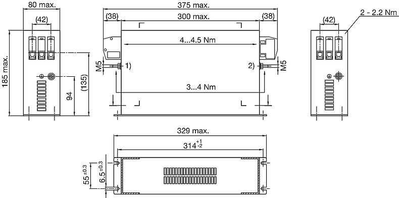
Dimension [mm]

Case 58

1) Line
2) Load
Case 60

Case 62

Case 64

1) Line
2) Load
Case 67

Case 58C

Case 60C

1) Line
2) Load
Case 62C

Case 67C

1) Line
2) Load

Diagrams

1) Line

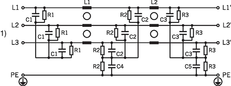
Technical data to the filter components

Rated Current [A] Terminal L1 [mH] L2 [mH] C1 [μF] C2 [μF] C3 [nF] C4 [nF] C5 [μF]

Variant Details


The link on the respective order number refers to a separat tab with specific detailed information .
This assures better readable information of the selected product.
Change to the tab All Products in order to show details of another variant.
This approach offers to use generic alias link to the product details:
www.schurter.xx/art/ [Order Number]
where the following variables are used:
- xx is the country specific domain
- [Order Number]

R1 [MΩ] R2 [MΩ] R3 [MΩ] Filter-Type
10 Screw clamps / flexible wires 3 1.5 1.5 1.0 1.5 - 1.5 - - 1 Standard version
115 Screw clamps / flexible wires 0.7 0.2 2.2 2.2 2.2 100 2.2 - 1 1 Standard version
20 Screw clamps / flexible wires 1.8 2 2.2 1.5 2.2 - 1.5 - - 1 Standard version
36 Screw clamps / flexible wires 1.5 0.5 2.2 2.2 2.2 - 2.2 - - 1 Standard version
66 Screw clamps / flexible wires 0.65 0.45 2.2 2.2 2.2 100 2.2 - 1 1 Standard version

Attenuation Loss

10 A

20 A

36 A

66 A

115 A


[Kurze Variantentabelle] FMBC BOOK STYLE [Öffne vollständige Tabelle] FMBC BOOK STYLE

Rated Current [A] Terminal Leakage Current [mA] @ 440V, 60Hz 1) Order Number

Variant Details


The link on the respective order number refers to a separat tab with specific detailed information .
This assures better readable information of the selected product.
Change to the tab All Products in order to show details of another variant.
This approach offers to use generic alias link to the product details:
www.schurter.xx/art/ [Order Number]
where the following variables are used:
- xx is the country specific domain
- [Order Number]

A=Most Popular

A=Most Popular


Most popular products have the following customer benefits:
- previously ordered by multiple customers
- generally in stock for immediate delivery
- early adoption or mature life cycle
Contact us for availability on other product variants, lead-times vary:
Contact-Form Availability for all products can be searched real-time. Enter part number and required quantity:
Stock Check SCHURTER

Free Sample

Free Sample


Please ask for free sample in order to check if the products meets your requirement for your application. Send your delivery adress and your specific requirements.

Distributor Stock Check

Distributor Stock Check


The following links refers to the inquiry form for distributors stock information of the selected products. It allows checking for the available amount and optionally to place an order at your selected partner.
The stock availability at the distributors may also be called up separately and the desired product manually entered.
Stock Check Distributor

...
 
10 Screw clamps / flexible wires 4.6 FMBC-0967-1010 ...
10 Screw clamps / flexible wires 4.6 FMBC-0967-1060 ...
115 Screw clamps / flexible wires 7.1 FMBC-0964-H110 ...
20 Screw clamps / flexible wires 4.6 FMBC-0958-2010 ...
20 Screw clamps / flexible wires 4.6 FMBC-0958-2060 ...
36 Screw clamps / flexible wires 6.7 FMBC-0960-3610 ...
36 Screw clamps / flexible wires 6.7 FMBC-0960-3660 ...
66 Screw clamps / flexible wires 7.1 FMBC-0962-6610 ...
66 Screw clamps / flexible wires 7.1 FMBC-0962-6660 ...

1) Leakage current according IEC 60939-1

Packaging unit 1 Pcs 

800800010000006005
LOADING...

23.01.2024
   
it prod Cambiando la versione del catalogo (Desktop <> Mobile), il sistema resetta i filtri scelti