FPAC RAIL  1-stage filter for 3-phase systems

Series

FPAC RAIL

1-stage filter for 3-phase systems

New_Logo Free Sample Request

16 Variants


Description

  • Line filter as standard version
  • 1 stage
  • Filter with standard or high attenuation (HP)

Unique Selling Proposition

  • Slim housing
  • Metal base plate for optimum ground connection to the rail
  • Filter variants with standard and high attenuation
  • Simple snap-on mounting

Applications

  • Voltage rating 520 VAC for world wide acceptance
  • For 3-phase industrial applications in the control cabinet
  • Machine control systems, switching power supplies, inverters
  • Suitable for use in equipment according to IEC/UL 62368-1

Rated Current

Rated Current


The electrical characteristics describe the approved operating values for the state of rated current and rated voltage considering the mentioned conditions.
General information on electrical characteristics colors of fuses
Ratings IEC, UL/CSA General information on the rated current and the rated voltage at EMC products
Rated Voltage Rated current The values are different depending on the approval body and therefore are referenced in the corresponding admission cards for the respective product families. Details about the approvals and ratings are listed in the data sheets.
Search approval information for different families
Approvals

3 - 32 A

Rated voltage

Rated Current


The electrical characteristics describe the approved operating values for the state of rated current and rated voltage considering the mentioned conditions.
General information on electrical characteristics colors of fuses
Ratings IEC, UL/CSA General information on the rated current and the rated voltage at EMC products
Rated Voltage Rated current The values are different depending on the approval body and therefore are referenced in the corresponding admission cards for the respective product families. Details about the approvals and ratings are listed in the data sheets.
Search approval information for different families
Approvals

300/520 VAC, 50/60 Hz

Approval for

Approval for


Approvals indicate the conformity of the products with the national testing institution requirements by listing of the relevant approval logos.
The link leads you to the search mask where you can query for certificates of the selected products.
Approvals
Detailed information about Approvals will be documented in the general product informations.
Details about Approvals

3 - 32 A @ 40 °C / 300/520 VAC; 50/60 Hz

Overload Current

1.5 x Ir for 1 minute, per hour

Dielectric Strength

Dielectric Strength


Information about the maximum permissible voltage, to avoid a voltage breakdown due to insulation damage.
Dielectric Strength

> 2.25 kVDC between L-L
2.25 kVDC between L-PE

Test voltage 2 sec

Number of Filter Stages

Filter Stages


Quality of a filter

1-stage

Weight

 0.4 kg

Material: Housing

Plastics 

Mounting

DIN Rail 

Terminal

Screw clamps 

Operating Temperature

-40 °C to 100 °C

Climatic Category

Climatic Category


Disposition of components in categories for the assessment of mechanical and electrical properties.
Climatic Category

40/100/21 acc. to IEC 60068-1

Degree of Protection

IP-Protection


The IP code consists of a two-digit number, which indicates the respective degree of protection.
The first digit specifies the protection from the penetration of foreign objects, the second digit the protection from water penetration with harmful effects. Details about IP protection degree can be looked up in the general product information
IP-Protection

IP20 acc. to IEC 60529

Protection Class

Protection Class


Class I: with ground; Class II: without ground

Detailed information relating to protection class can also be found in the general product information
Protection against electric shock

Suitable for appliances with protection class I acc. to IEC 61140

MTBF

MTBF


The term MTBF is the English acronym Mean Time Between Failure and describes reliability of a component. The operating time of a system can be calculated based on thementioned value of the component. - The higher this value, the more reliable the component.
MTBF

> 200'000 h acc. to MIL-HB-217 F

Detailed information on product approvals, code requirements, usage instructions and detailed test conditions can be looked up in  Details about Approvals
SCHURTER products are designed for use in industrial environments. They have approvals from independent testing bodies according to national and international standards. Products with specific characteristics and requirements such as required in the automotive sector according to IATF 16949, medical technology according to ISO 13485 or in the aerospace industry can be offered exclusively with customer-specific, individual agreements by SCHURTER.


Approvals

The approval mark is used by the testing authorities to certify compliance with the safety requirements placed on electronic products.


Approval Reference Type: FPAC RAIL

Approval Logo Certificates Certification Body Description
Approval marks ENEC 15 DEMKO Certificate Number: ENEC-04869
Approval marks UR UL UR File Number: E495089


Product standards

Product standards that are referenced

Organization Design Standard Description
Approval marks IEC_Certification_Body Designed according to IEC 60939 Passive filters for suppressing electromagnetic interference
Approval marks UL Designed according to UL 60939-3 Passive filters for suppressing electromagnetic interference


Application standards

Application standards where the product can be used

Organization Design Standard Description
Approval marks IEC_Certification_Body Suitable for applications acc. IEC/UL 62368-1 Audio/video, information and communication technology equipment - Part 1: Safety requirements


Compliances

The product complies with following Guide Lines

Identification Details Initiator Description
Approval marks CE SCHURTER AG The CE marking declares that the product complies with the applicable requirements laid down in the harmonisation of Community legislation on its affixing in accordance with EU Regulation 765/2008.
Approval marks Zulassung_Symbol_UKCA SCHURTER AG The UKCA marking declares that the product complies with the applicable requirements laid down in the British Amendment of Regulation (EC) 765/2008.
Environment_Safety RoHS_Logo_color_CMYK_tif SCHURTER AG Directive RoHS 2011/65/EU, Amendment (EU) 2015/863
Environment_Safety China_RoHS_e_konform_eps SCHURTER AG The law SJ / T 11363-2006 (China RoHS) has been in force since 1 March 2007. It is similar to the EU directive RoHS.
Environment_Safety REACH SCHURTER AG On 1 June 2007, Regulation (EC) No 1907/2006 on the Registration, Evaluation, Authorization and Restriction of Chemicals 1 (abbreviated as "REACH") entered into force.

Dimension [mm]


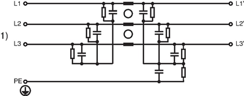
Diagrams

1) Line


Attenuation Loss

3 A

6 A

10 A

12 A

16 A

20 A

25 A

32 A

3 A

6 A

10 A

12 A

16 A

20 A

25 A

32 A


Short Table of Variants FPAC RAIL Open complete table FPAC RAIL

Rated Current @ Ta 50°C [A]

Rated current


Max. rated current according to IEC vs. UL/CSA- approval for the listed type.

Filter Type

Filter Type


Filter classification according leakage current for easy reading:
Standard: < 0.5 mA
Medizinal: < 0.1 mA
Leakage Current

Power Dissipation [W] Order Number

Variant Details


The link on the respective order number refers to a separat tab with specific detailed information.
This assures better readable information of the selected product.
Change to the tab All Products in order to show details of another variant.
This approach offers to use generic alias link to the product details:
www.schurter.xx/art/ [Order Number]
where the following variables are used:
- xx is the country specific domain
- [Order Number]

Symbols, Footprints, 3D-Models Free Sample

Free Sample


Please ask for free sample in order to check if the products meets your requirement for your application.
Send your delivery adress and your specific requirements.

Distributor Stock Check

Distributor Stock Check


The following links refers to the inquiry form for distributors stock information of the selected products. It allows checking for the available amount and optionally to place an order at your selected partner.
The stock availability at the distributors may also be called up separately and the desired product manually entered.
Stock Check Distributor

...
 
3 Standard version 0.29 3-150-001 ...
6 Standard version 0.73 3-150-002 ...
10 Standard version 1.31 3-150-003 ...
12 Standard version 1.44 3-150-004 ...
16 Standard version 1.97 3-150-005 ...
20 Standard version 1.64 3-150-006 ...
25 Standard version 2.5 3-150-007 ...
32 Standard version 3.79 3-150-008 ...
3 Standard version HP 0.29 3-150-011 ...
6 Standard version HP 0.74 3-150-012 ...
10 Standard version HP 1.39 3-150-013 ...
12 Standard version HP 1.43 3-150-014 ...
16 Standard version HP 1.97 3-150-015 ...
20 Standard version HP 1.8 3-150-016 ...
25 Standard version HP 2.56 3-150-017 ...
32 Standard version HP 3.89 3-150-018 ...

1) Leakage current according IEC 60939-1

Packaging unit 6 Pcs 

800800010000006529
LOADING...

21.10.2025
   
it prod Cambiando la versione del catalogo (Desktop <> Mobile), il sistema resetta i filtri scelti