Free Sample
Please ask for free sample in order to check if the products meets your requirement for your application.
Send your delivery adress and your specific requirements.
21 Variants
Rated Voltage
63 - 125 VAC, 65 - 125 VDC
Rated current
2 - 15 A
Breaking Capacity
50 A - 150 A
Characteristic
Time-Lag T
Mounting
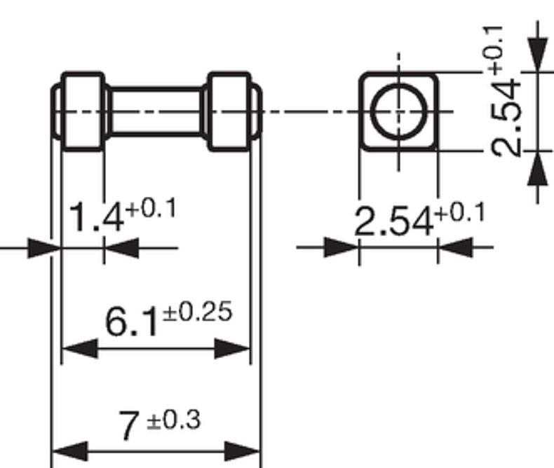
PCB,SMT
Admissible Ambient Temp.
-55 °C to 85 °C
Climatic Category
55/085/56 acc. to IEC 60068-1
Material: Tube
Ceramics
Material: Endcaps
Copper alloy, tin-plated
Unit Weight
0.15 g
Storage Conditions
0 °C to 60 °C, max. 70% r.h.
Product Marking
, Rated current
Soldering Methods
Reflow, Wave
Soldering Profile
Solderability
235 °C / 2 sec acc. to IEC 60068-2-58, Test Td
Resistance to Soldering Heat
260 °C / 10 sec acc. to IEC 60068-2-58, Test Td
Moisture Sensitivity Level
MSL 1, J-STD-020
Detailed information on product approvals, code requirements, usage instructions and detailed test conditions can be looked up in
Details about Approvals
SCHURTER products are designed for use in industrial environments. They have approvals from independent testing bodies according to national and international standards. Products with specific characteristics and requirements such as required in the automotive sector according to IATF 16949, medical technology according to ISO 13485 or in the aerospace industry can be offered exclusively with customer-specific, individual agreements by SCHURTER.
The approval mark is used by the testing authorities to certify compliance with the safety requirements placed on electronic products.
Approval Reference Type: MKT
| Approval Logo | Certificates | Certification Body | Description |
|---|---|---|---|
|
UL | UR File Number: E42088 |
Product standards that are referenced
| Organization | Design | Standard | Description |
|---|---|---|---|
|
Designed according to | IEC 60127-4/2 | Miniature fuses. Part 4. Universal modular fuse-links for through-hole and surface mount types |
|
Designed according to | UL 248-14 | Low voltage fuses - Part 14: Supplemental fuses |
|
Designed according to | CSA22.2 No. 248.14 | Low-Voltage Fuses - Part 14: Supplemental Fuses |
Application standards where the product can be used
| Organization | Design | Standard | Description |
|---|---|---|---|
|
Suitable for applications acc. | IEC/UL 62368-1 | Audio/video, information and communication technology equipment - Part 1: Safety requirements |
The product complies with following Guide Lines
| Identification | Details | Initiator | Description |
|---|---|---|---|
|
SCHURTER AG | The CE marking declares that the product complies with the applicable requirements laid down in the harmonisation of Community legislation on its affixing in accordance with EU Regulation 765/2008. | |
|
SCHURTER AG | The UKCA marking declares that the product complies with the applicable requirements laid down in the British Amendment of Regulation (EC) 765/2008. | |
|
SCHURTER AG | Directive RoHS 2011/65/EU, Amendment (EU) 2015/863 | |
|
SCHURTER AG | The law SJ / T 11363-2006 (China RoHS) has been in force since 1 March 2007. It is similar to the EU directive RoHS. | |
|
SCHURTER AG | On 1 June 2007, Regulation (EC) No 1907/2006 on the Registration, Evaluation, Authorization and Restriction of Chemicals 1 (abbreviated as "REACH") entered into force. |
| Rated Current In | 1.1 x In min. | 1.25 x In min. | 2.0 x In max. | 10.0 x In min. | 10.0 x In max. |
|---|---|---|---|---|---|
| 2 A - 8 A | - | 60 min | 120 s | 10 ms | 100 ms |
| 10 A - 15 A | 60 min | - | 120 s | 10 ms | 100 ms |
| Rated Current [A] | Rated Voltage [VAC] | Rated Voltage [VDC] | Order Number | Symbols, Footprints, 3D-Models | Free Sample Free Sample
|
Distributor Stock Check Distributor Stock Check
|
... | |||||||||||||||||||||||||||||||||||||||||||||||||||||||||||||||||||||||||||||||||||||||||||
|---|---|---|---|---|---|---|---|---|---|---|---|---|---|---|---|---|---|---|---|---|---|---|---|---|---|---|---|---|---|---|---|---|---|---|---|---|---|---|---|---|---|---|---|---|---|---|---|---|---|---|---|---|---|---|---|---|---|---|---|---|---|---|---|---|---|---|---|---|---|---|---|---|---|---|---|---|---|---|---|---|---|---|---|---|---|---|---|---|---|---|---|---|---|---|---|---|---|---|
| 2 | 125 | 125 | 7010.9513.03 |
|
... | |||||||||||||||||||||||||||||||||||||||||||||||||||||||||||||||||||||||||||||||||||||||||||||
| 2 | 125 | 125 | 7010.9513.57 |
|
... | |||||||||||||||||||||||||||||||||||||||||||||||||||||||||||||||||||||||||||||||||||||||||||||
| 2.5 | 125 | 125 | 7010.9514.03 |
|
... | |||||||||||||||||||||||||||||||||||||||||||||||||||||||||||||||||||||||||||||||||||||||||||||
| 2.5 | 125 | 125 | 7010.9514.57 |
|
... | |||||||||||||||||||||||||||||||||||||||||||||||||||||||||||||||||||||||||||||||||||||||||||||
| 3.15 | 125 | 125 | 7010.9515.03 |
|
... | |||||||||||||||||||||||||||||||||||||||||||||||||||||||||||||||||||||||||||||||||||||||||||||
| 3.15 | 125 | 125 | 7010.9515.57 |
|
... | |||||||||||||||||||||||||||||||||||||||||||||||||||||||||||||||||||||||||||||||||||||||||||||
| 3.5 | 125 | 125 | 7010.9516.03 |
|
... | |||||||||||||||||||||||||||||||||||||||||||||||||||||||||||||||||||||||||||||||||||||||||||||
| 3.5 | 125 | 125 | 7010.9516.57 |
|
... | |||||||||||||||||||||||||||||||||||||||||||||||||||||||||||||||||||||||||||||||||||||||||||||
| 4 | 125 | 125 | 7010.9517.03 |
|
... | |||||||||||||||||||||||||||||||||||||||||||||||||||||||||||||||||||||||||||||||||||||||||||||
| 4 | 125 | 125 | 7010.9517.57 |
|
... | |||||||||||||||||||||||||||||||||||||||||||||||||||||||||||||||||||||||||||||||||||||||||||||
| 5 | 125 | 125 | 7010.9518.03 |
|
... | |||||||||||||||||||||||||||||||||||||||||||||||||||||||||||||||||||||||||||||||||||||||||||||
| 5 | 125 | 125 | 7010.9518.57 |
|
... | |||||||||||||||||||||||||||||||||||||||||||||||||||||||||||||||||||||||||||||||||||||||||||||
| 6.3 | 125 | 125 | 7010.9519.03 |
|
... | |||||||||||||||||||||||||||||||||||||||||||||||||||||||||||||||||||||||||||||||||||||||||||||
| 8 | 65 | 65 | 7010.9520.03 |
|
... | |||||||||||||||||||||||||||||||||||||||||||||||||||||||||||||||||||||||||||||||||||||||||||||
| 8 | 65 | 65 | 7010.9520.57 |
|
... | |||||||||||||||||||||||||||||||||||||||||||||||||||||||||||||||||||||||||||||||||||||||||||||
| 10 | 65 | 65 | 7010.9521.03 |
|
... | |||||||||||||||||||||||||||||||||||||||||||||||||||||||||||||||||||||||||||||||||||||||||||||
| 10 | 65 | 65 | 7010.9521.57 |
|
... | |||||||||||||||||||||||||||||||||||||||||||||||||||||||||||||||||||||||||||||||||||||||||||||
| 12 | 65 | 65 | 7010.9522.03 |
|
... | |||||||||||||||||||||||||||||||||||||||||||||||||||||||||||||||||||||||||||||||||||||||||||||
| 12 | 65 | 65 | 7010.9522.57 |
|
... | |||||||||||||||||||||||||||||||||||||||||||||||||||||||||||||||||||||||||||||||||||||||||||||
| 15 | 65 | 65 | 7010.9523.03 |
|
... | |||||||||||||||||||||||||||||||||||||||||||||||||||||||||||||||||||||||||||||||||||||||||||||
| 15 | 65 | 65 | 7010.9523.57 |
|
... | |||||||||||||||||||||||||||||||||||||||||||||||||||||||||||||||||||||||||||||||||||||||||||||
|
1) 50 A @ 125 VAC cos φ ≥ 0.95 / 50A @ 125 VDC resistiv 150 A @ 65 VAC cos φ ≥ 0.95 / 150A @ 65 VDC resistiv 2) 63 A @ 125 VAC cos φ ≥ 0.95 / 63A @ 125 VDC resistiv 150 A @ 65 VAC cos φ ≥ 0.95 / 150A @ 65 VDC resistiv 3) 150 A @ 65 VAC cos φ ≥ 0.95 / 150A @ 65 VDC resistiv |
||||||||||||||||||||||||||||||||||||||||||||||||||||||||||||||||||||||||||||||||||||||||||||||||||
|
Packaging Unit
acc. IEC 60286-3 Type 2a |
|