NH-DIN00 - DIN00C 400V  DIN 00 1301.0102
DIN 00 1301.0102
NH-DIN00 - DIN00C 400V  DIN 00 C 1301.0114
DIN 00 C 1301.0114
NH-DIN00 - DIN00C 400V  DIN 00 1301.0102
NH-DIN00 - DIN00C 400V  DIN 00 C 1301.0114

Series: NH-DIN00 - DIN00C 400V

Fuse NH-DIN00-DIN00C 400V (gG)

Free Sample Request

23 Variants


Description

  • According to IEC 269
  • According VDE 0636
  • energy saving
  • Selectiviti 1:1.6
  • Removal tags energized
  • Dimensions accroding to DIN 43620

Unique Selling Proposition

  • Characteristic gG
  • Full-range fuse-links for general applications

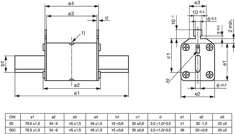
Rated Current In

6-  160 A

Rated Voltage

400 VAC

Breaking Capacity

100 kA

Rated Power Operating Frequency fe

50 Hz

Contact blade

Full contact blades, Cu silvered 

Characteristic resistance

even with alternating load; nonagin to VDE 0636 

Indicator

Combi indicator 

Basic Design

Insulator

Ceramics 

Metal components

corrosion-resistant (rustproof) 



Power Dissipation (Watt) operating temperature max. The power dissipation is the so called power loss at rated current load and operation temeperature acc. VDE 0636 . It is to be measeured in Watt at AC condition. The voltage tap is to be assured that the power dissipation of the blade contacts are included. This means the measure contact need to be applied at the ends of the blade contacts. The standard VDE 0636 part 1 and 2 requires that following maximal permissiable power losses are not exceeded.

Detailed information on product approvals, code requirements, usage instructions and detailed test conditions can be looked up in   Details about Approvals


Approvals

The approval mark is used by the testing authorities to certify compliance with the safety requirements placed on electronic products.


Approval Reference Type:

Approval Logo Certificates Certification Body Description
Approval marks VDE VDE VDE Certificate Number: 40052732


Compliances

The product complies with following Guide Lines

Identification Details Initiator Description
Environment_Safety REACH SCHURTER AG On 1 June 2007, Regulation (EC) No 1907/2006 on the Registration, Evaluation, Authorization and Restriction of Chemicals 1 (abbreviated as "REACH") entered into force.

900140150000005285
LOADING...

Dimensions [mm]

1) Centre indicator
2) Flat indicator

Time-Current-Curves

DIN00C 6 - 100 A, 400V

Time in Seconds
Effective value of the melting current (A) + - 8%

DIN00 35 - 160 A, 400V

Time in Seconds
Effective value of the melting current (A) + - 8%

Current limiting diagram

The prospective short circuit current is the value of the current, that would flow if there was no protection in the circuit.
ID␉Let-through courrent
IG␉Value of DC component
IP␉Prospective short-circuit current
IS␉Short-circuit peak current
X␉Factor (X=2 für cosφ=0, X=1 für cosφ=1)

Short Table of Variants NH-DIN00 - DIN00C 400V Open complete table NH-DIN00 - DIN00C 400V

Rated current Style Power Loss E-No. A=Most Popular

A=Most Popular


Most popular products have the following customer benefits:
- previously ordered by multiple customers
- generally in stock for immediate delivery
- early adoption or mature life cycle
Contact us for availability on other product variants, lead-times vary:
Contact-Form Availability for all products can be searched real-time. Enter part number and required quantity:
Stock Check SCHURTER

Free Sample

Free Sample


Please ask for free sample in order to check if the products meets your requirement for your application. Send your delivery adress and your specific requirements.

Distributor Stock Check

Distributor Stock Check


The following links refers to the inquiry form for distributors stock information of the selected products. It allows checking for the available amount and optionally to place an order at your selected partner.
The stock availability at the distributors may also be called up separately and the desired product manually entered.
Stock Check Distributor

...
[A]   [Compact]   [W]            
 
6 C 1.2 840400079  A  ...
10 C 1.3 840400089  A  ...
16 C 1.6 840400099  A  ...
20 C 1.9 840400109  A  ...
20 - 1.9 840600109  A  ...
25 C 2.2 840400119  A  ...
25 - 2.2 840600119  A  ...
32 C 2.7 840400129  A  ...
32 - 2.7 840600129  A  ...
35 C 3.1 840400139  A  ...
35 - 3.1 840600139  A  ...
40 C 3.5 840400149  A  ...
40 - 3.5 840600149 ¹)  A  ...
50 C 3.9 840400159  A  ...
50 - 3.9 840600159  A  ...
63 C 5.2 840400179  A  ...
63 - 5.2 840600179  A  ...
80 C 5.3 840400199  A  ...
80 - 5.3 840600199  A  ...
100 C 5.7 840400209  A  ...
100 - 5.7 840600209  A  ...
125 - 7.4 840600219  A  ...
160 - 8.3 840600239  A  ...

Most Popular.

¹) without VDE approvals

Packaging unit 3 Pcs 

900140150000005285
LOADING...

23.08.2023
   
it prod Cambiando la versione del catalogo (Desktop <> Mobile), il sistema resetta i filtri scelti