SEV-G2 500V  Fuse link, SEV G2 500V (gG)

Series

SEV-G2 500V

Fuse link, SEV G2 500V (gG)

Free Sample Request

9 Variants


Description

  • According to IEC 269
  • According to EN 60269
  • Selectiviti 1:1.6
  • Removal tags energized
  • Dimensions according to SNV 24482

Unique Selling Proposition

  • Characteristic gG
  • Full-range fuse-links for general applications

Rated Current In

40-  250 A

Rated Voltage

500 VAC

Breaking Capacity

120 kA

Rated Power Operating Frequency fe

50 Hz

Basic Design

Insulator

Ceramics 

Metal components

corrosion-resistant (rustproof) 



Power Dissipation (Watt) operating temperature max. The power dissipation is the so called power loss at rated current load and operation temeperature acc. VDE 0636 . It is to be measeured in Watt at AC condition. The voltage tap is to be assured that the power dissipation of the blade contacts are included. This means the measure contact need to be applied at the ends of the blade contacts. The standard VDE 0636 part 1 and 2 requires that following maximal permissiable power losses are not exceeded.

Detailed information on product approvals, code requirements, usage instructions and detailed test conditions can be looked up in   Details about Approvals


Compliances

The product complies with following Guide Lines

Identification Details Initiator Description
Environment_Safety REACH SCHURTER AG On 1 June 2007, Regulation (EC) No 1907/2006 on the Registration, Evaluation, Authorization and Restriction of Chemicals 1 (abbreviated as "REACH") entered into force.

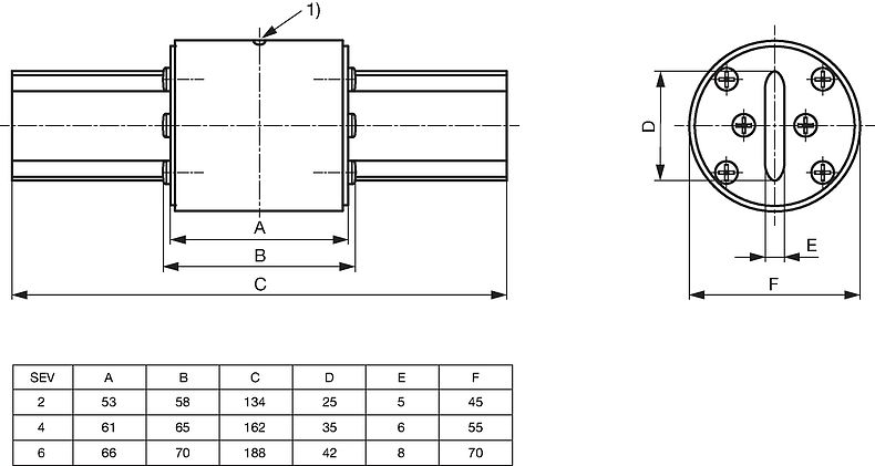
Dimensions [mm]

1) Indicator

Time-Current-Curves

SEV G2 - G6

Time in Seconds
Current in Amperes


Short Table of Variants SEV-G2 500V Open complete table SEV-G2 500V

Rated current Style Power Loss E-No. Free Sample

Free Sample


Please ask for free sample in order to check if the products meets your requirement for your application.
Send your delivery adress and your specific requirements.

Distributor Stock Check

Distributor Stock Check


The following links refers to the inquiry form for distributors stock information of the selected products. It allows checking for the available amount and optionally to place an order at your selected partner.
The stock availability at the distributors may also be called up separately and the desired product manually entered.
Stock Check Distributor

...
[A]   [Compact]   [W]          
 
40 - - 840201019 ...
50 - - 840201309 ...
63 - - 840201029 ...
80 - - 840201039 ...
100 - - 840201049 ...
125 - - 840201059 ...
160 - - 840201069 ...
200 - - 840201079 ...
250 - - 840201009 ...

Packaging unit 3 Pcs 

900140020000005261
LOADING...

20.05.2025
   
it prod Cambiando la versione del catalogo (Desktop <> Mobile), il sistema resetta i filtri scelti