T12-112  Circuit Breaker for Equipment thermal, Flange type, Reset type, Screw terminals

Series

T12-112

Circuit Breaker for Equipment thermal, Flange type, Reset type, Screw terminals

Description

  • Flange type
  • Thermal circuit breaker
  • 1 pole
  • Reset type
  • Bolts and nuts

Unique Selling Proposition

  • Compact design
  • Positively trip-free release
  • Available with cover
  • Different mounting possibilities

Applications

  • Power supplies
  • Uninterruptible power supply
  • Power tools
  • Household appliances

Rated Voltage AC

AC 240 VAC

Rated Voltage DC

28 VDC

Rated current range AC

0.05 - 15/16 A , see approbations

Conditional short circuit capacity Inc

IEC 60934: PC1, AC 240 V: 1 kA 

Short circuit capacity Icn

IEC 60934: at In < 7 A/240 VAC : 8 x In 

IEC 60934: at In ≥ 7 A/240 VAC : 200 A 

AC/DC 28 V : 400 A 

Degree of Protection

front side IP40 acc. to IEC 60529

Dielectric Strength

50 Hz: > 1.5 kV
Impulse 1.2/50 μs: > 2.5 kV

Insulation Resistance

500 VDC > 100 MΩ

Endurance typical

2 x Ir: 5000 switching cycles

Endurance minimum

Reset type 
 AC : 2 x Ir , cos φ 0.6 : 
 DC : 2 x Ir , L/R = 2 - 3 ms : 
 50 switching cycles

Overload

IEC: min. 40 trips
@ 6 x Ir, cos φ 0.6

UL / CSA: min. 50 trips
@ 1.5 x Ir, cos φ 0.75

Allowable Operation Temp.

-5 °C to 60 °C

Vibration Resistance

± 1.5 mm @ 10 - 60 Hz
acc. to IEC 60068-2-6, test Fc
10 G @ 60 - 500 Hz
acc. to IEC 60068-2-6, test Fc

Shock Resistance

100 G / 6 ms
acc. to IEC 60068-2-27, test Ea

Tripping Type

Thermal 

Actuation Type

Reset type 

Weight

ca. 10 g

Detailed information on product approvals, code requirements, usage instructions and detailed test conditions can be looked up in  Details about Approvals
SCHURTER products are designed for use in industrial environments. They have approvals from independent testing bodies according to national and international standards. Products with specific characteristics and requirements such as required in the automotive sector according to IATF 16949, medical technology according to ISO 13485 or in the aerospace industry can be offered exclusively with customer-specific, individual agreements by SCHURTER.


Approvals

The approval mark is used by the testing authorities to certify compliance with the safety requirements placed on electronic products.


Approval Reference Type: T12

Approval Logo Certificates Certification Body Description
Approval marks VDE VDE VDE Certificate Number: 99673
Approval marks cURus UL UR File Number: E71572
Approval marks ccc CCC CCC Certificate Number: 2024010307710410


Product standards

Product standards that are referenced

Organization Design Standard Description
Approval marks IEC_Certification_Body Designed according to IEC 60934 Circuit-breakers for equipment (CBE)
Approval marks UL Designed according to UL 1077 Standard for Supplementary Protectors for Use in Electrical Equipment
Approval marks CSA_Certification_Body Designed according to CSA C22.2 No. 235 Supplementary Protectors
Approval marks ccc Designed according to GB 17701 Circuit-breaker for equipment


Application standards

Application standards where the product can be used

Organization Design Standard Description
Approval marks IEC_Certification_Body Suitable for applications acc. IEC/UL 62368-1 Audio/video, information and communication technology equipment - Part 1: Safety requirements


Compliances

The product complies with following Guide Lines

Identification Details Initiator Description
Approval marks CE SCHURTER AG The CE marking declares that the product complies with the applicable requirements laid down in the harmonisation of Community legislation on its affixing in accordance with EU Regulation 765/2008.
Approval marks Zulassung_Symbol_UKCA SCHURTER AG The UKCA marking declares that the product complies with the applicable requirements laid down in the British Amendment of Regulation (EC) 765/2008.
Environment_Safety RoHS_Logo_color_CMYK_tif SCHURTER AG Directive RoHS 2011/65/EU, Amendment (EU) 2015/863
Environment_Safety China_RoHS_50_non_konform_eps SCHURTER AG The law SJ / T 11363-2006 (China RoHS) has been in force since 1 March 2007. It is similar to the EU directive RoHS.
Environment_Safety REACH SCHURTER AG On 1 June 2007, Regulation (EC) No 1907/2006 on the Registration, Evaluation, Authorization and Restriction of Chemicals 1 (abbreviated as "REACH") entered into force.

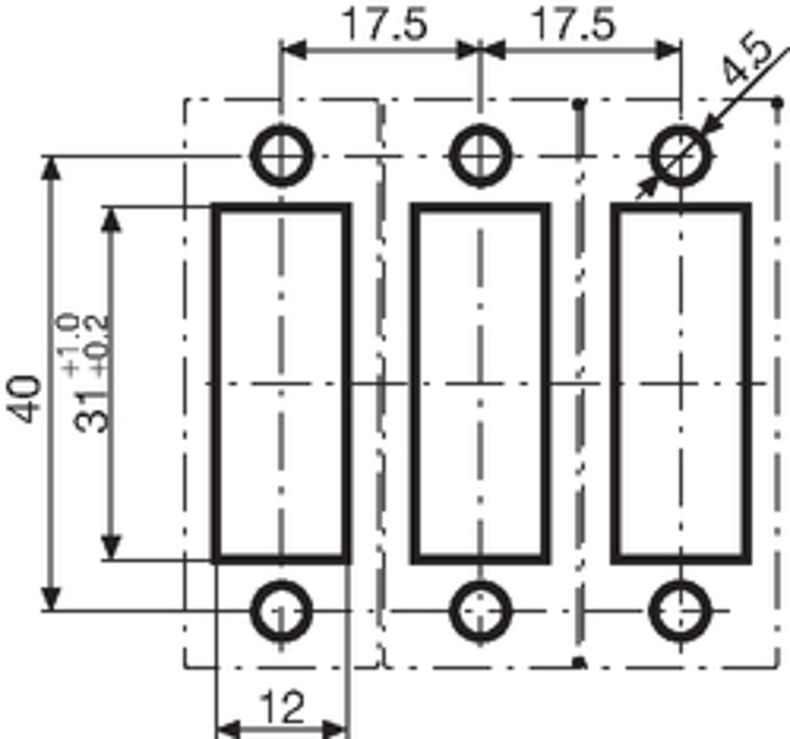
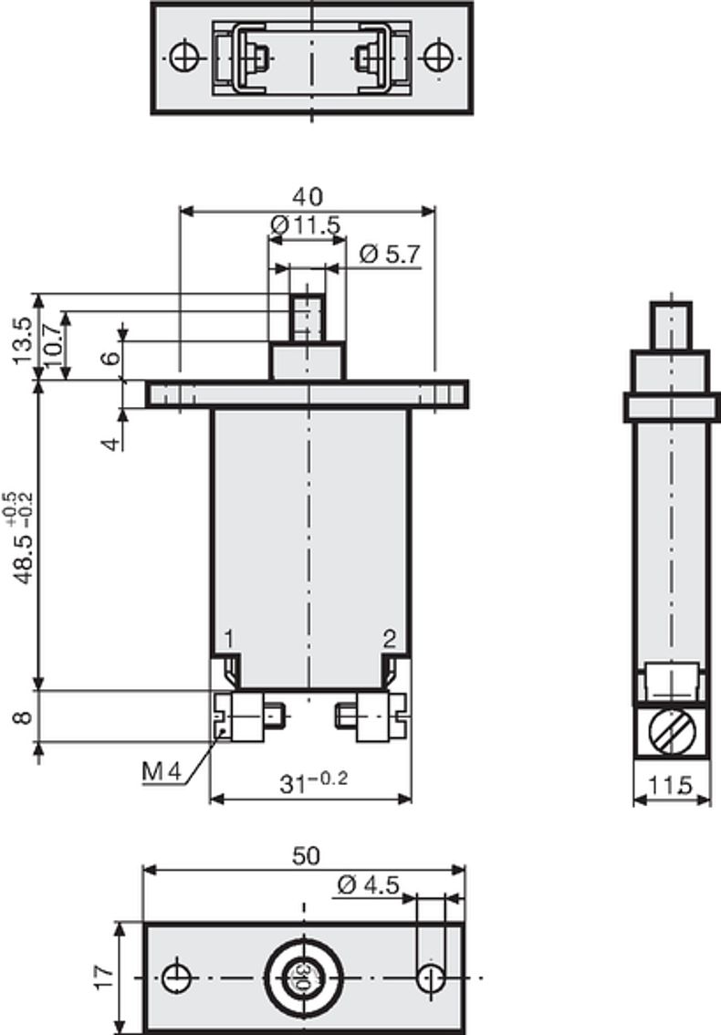
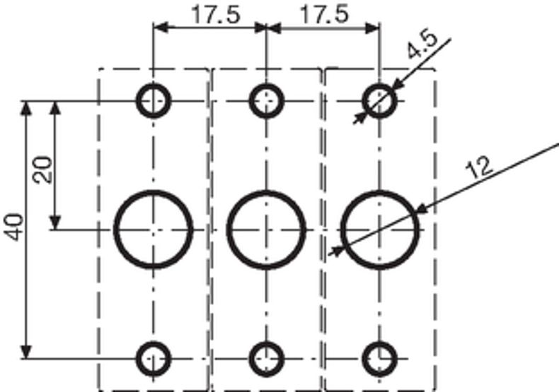
Dimension [mm]

T12-112

Installation from rear
Installation from front

Diagrams

T12-...

T12-...N

T12-...S

T12-...SN


Approval Main circuit Auxiliary circuit
  Rated current Rated Voltage AC Rated Voltage DC Rated current Rated Voltage AC Rated Voltage DC
  UL 1077 CSA C22.2 No. 235   240 V 28 V 2 A 3 A 120 V -   28 V
  CSA C22.2 No. 235 0.3...16 A 240 V 28 V 1 A 240 V -
  IEC 60934 0.05...16 A 240 V 28 V 1 A 240 V 28 V
  GB 17701 0.05...16 A 240 V 28 V 1 A 240 V 28 V

Typical internal resistance per pole

Rated Current [A] Internal Resistance [Ω]
0.05 225.000
0.50 3.300
1.00 0.880
2.00 0.267
3.00 0.128
4.00 0.073
5.00 0.040
6.00 0.031
7.00 0.018
8.00 0.018
9.00 0.010
10.00 0.0087
11.00 0.0087
12.00 0.0087
13.00 0.0087
14.00 0.0070
15.00 0.0070
16.00 0.0055

Effect of ambient temperature

Ambient Temperature [°C] Correction factor
-5 0.87
0 0.90
10 0.95
23 1.00
30 1.05
40 1.12
50 1.20
60 1.30

Time-Current-Curves

Time in Seconds
Multiple of Rated Current In


Ambient temperature +23°


T12 - 1 2 3 A B C - 1.23
The characters are placeholders for the correspondingly keys of selections from the key tables.

T12 - 1 2 3 A B C - 1.23 = Mounting
Mounting Configuration key
Screwflange mounting 1
Threaded neck type with hexagonal- and knurled nut 2


T12 - 1 2 3 A B C - 1.23 = Actuation Type
Actuation Type Configuration key
Reset type 1
Manual ON/OFF (push/push) 2


T12 - 1 2 3 A B C - 1.23 = Terminal
Terminal Configuration key
Quick connect terminal 6.3x0.8mm 1
Screw clamp terminals 2


T12 - 1 2 3 A B C - 1.23 = Auxiliary contact
Auxiliary contact Configuration key
Auxiliary contact S


T12 - 1 2 3 A B C - 1.23 = Shunt terminal
Shunt terminal Configuration key
Shunt terminal N


T12 - 1 2 3 A B C - 1.23 = Setting indication
Setting indication Configuration key
Setting indication R


T12 - 1 2 3 A B C - 1.23 = Rated current
Rated current Configuration key
0.05 A 0.05
0.1 A 0.1
0.15 A 0.15
0.2 A 0.2
0.3 A 0.3
0.4 A 0.4
0.5 A 0.5
0.6 A 0.6
0.7 A 0.7
0.8 A 0.8
0.9 A 0.9
1.0 1
1.1 A 1.1
1.2 A 1.2
1.3 A 1.3
1.4 A 1.4
1.5 A 1.5
1.6 A 1.6
1.7 A 1.7
1.8 A 1.8
1.9 A 1.9
2.0 A 2
2.1 A 2.1
2.3 A 2.3
2.5 A 2.5
2.8 A 2.8
3.0 A 3
3.3 A 3.3
3.5 A 3.5
4.0 A 4
4.5 A 4.5
5.0 A 5
5.5 A 5.5
6.0 6
6.5 A 6.5
7.0 A 7
7.5 A 7.5
8.0 A 8
8.5 A 8.5
9.0 A 9
9.5 A 9.5
10.0 A 10
11.0 A 11
12.0 A 12
13.0 A 13
14.0 A 14
15.0 A 15
16.0 A 16
Other rated currents on request


040170100000008048
LOADING...

02.09.2025
   
it prod Cambiando la versione del catalogo (Desktop <> Mobile), il sistema resetta i filtri scelti