TM12-MSM  Circuit Breaker for Equipment thermal-magnetically with Metal Actuator

Series

TM12-MSM

Circuit Breaker for Equipment thermal-magnetically with Metal Actuator

Free Sample Request

6 Variants


Description

  • TMF12-211 - Thermal-magnetic circuit breaker,
  • Metal switch non-illuminated and illuminated
  • 1 pole
  • Quick connect terminals 6.3 x 0.8 mm / screw terminals

Applications

  • Power supplies
  • Uninterruptible power supply
  • Power tools
  • Household appliances

Rated Voltage AC

AC 240 V: 50/60

Rated Voltage DC

28 V

Rated current range AC

0.05 - 15 A

Conditional short circuit capacity Inc

IEC 60934: PC1, AC 240 V: 1 kA 

Dielectric Strength

50 Hz: > 1.5 kV
Impulse 1.2/50 μs: > 2.5 kV

Insulation Resistance

500 VDC > 100 MΩ

Endurance typical

2 x Ir: 5000 switching cycles

Reset type 
 AC : 2 x Ir , cos φ 0.6 : 
 DC : 2 x Ir , L/R = 2 - 3 ms : 
 50 switching cycles

Manual ON/OFF type 
 AC : 2 x Ir , cos φ 0.6 : 
 
 DC : 2 x Ir , L/R = 2 - 3 ms : 
 5000 switching cycles

Overload

IEC: min. 40 trips
@ 6 x Ir, cos φ 0.6

UL / CSA: min. 50 trips
@ 1.5 x Ir, cos φ 0.75

Allowable Operation Temp.

-5 °C to 60 °C

Vibration Resistance

± 0.75 mm @ 5 - 60 Hz
acc. to IEC 60068-2-6, test Fc
7 G @ 60 - 500 Hz
acc. to IEC 60068-2-6, test Fc

Shock Resistance

60 G / 18 ms
acc. to IEC 60068-2-27, test Ea

Tripping Type

Thermal-Magnetic 

Actuation Type

Manual ON/OFF 

Shock Protection

IK07 

Tightening Torque Stainless Steel Nut

12 Nm for thread M19, 16 Nm for M22 

Salt Spray Test (acc. to DIN 50021-SS)

24 h / 48 h / 96 h Residence Time 

Supply Voltage

24 VDC Ring Illumination without series resistor Point Illumination

Weight

ca. 55 g

Detailed information on product approvals, code requirements, usage instructions and detailed test conditions can be looked up in  Details about Approvals
SCHURTER products are designed for use in industrial environments. They have approvals from independent testing bodies according to national and international standards. Products with specific characteristics and requirements such as required in the automotive sector according to IATF 16949, medical technology according to ISO 13485 or in the aerospace industry can be offered exclusively with customer-specific, individual agreements by SCHURTER.


Approvals

The approval mark is used by the testing authorities to certify compliance with the safety requirements placed on electronic products.


Approval Reference Type: TM12

Approval Logo Certificates Certification Body Description


Product standards

Product standards that are referenced

Organization Design Standard Description
Approval marks IEC_Certification_Body Designed according to IEC 60934 Circuit-breakers for equipment (CBE)
Approval marks UL Designed according to UL 1077 Standard for Supplementary Protectors for Use in Electrical Equipment
Approval marks ccc Designed according to GB 17701 Circuit-breaker for equipment


Application standards

Application standards where the product can be used

Organization Design Standard Description
Approval marks IEC_Certification_Body Suitable for applications acc. IEC/UL 62368-1 Audio/video, information and communication technology equipment - Part 1: Safety requirements


Compliances

The product complies with following Guide Lines

Identification Details Initiator Description
Approval marks CE SCHURTER AG The CE marking declares that the product complies with the applicable requirements laid down in the harmonisation of Community legislation on its affixing in accordance with EU Regulation 765/2008.
Approval marks Zulassung_Symbol_UKCA SCHURTER AG The UKCA marking declares that the product complies with the applicable requirements laid down in the British Amendment of Regulation (EC) 765/2008.
Environment_Safety RoHS_Logo_color_CMYK_tif SCHURTER AG Directive RoHS 2011/65/EU, Amendment (EU) 2015/863
Environment_Safety China_RoHS_50_non_konform_eps SCHURTER AG The law SJ / T 11363-2006 (China RoHS) has been in force since 1 March 2007. It is similar to the EU directive RoHS.
Environment_Safety REACH SCHURTER AG On 1 June 2007, Regulation (EC) No 1907/2006 on the Registration, Evaluation, Authorization and Restriction of Chemicals 1 (abbreviated as "REACH") entered into force.

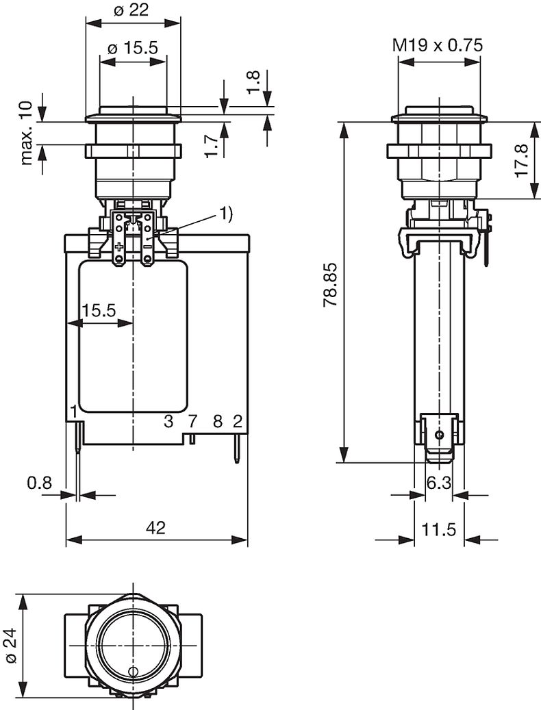
Dimension [mm]

TM12 MSM 19

1) only among MSM PI / RI quick connect terminal 2.8x0.5 mm
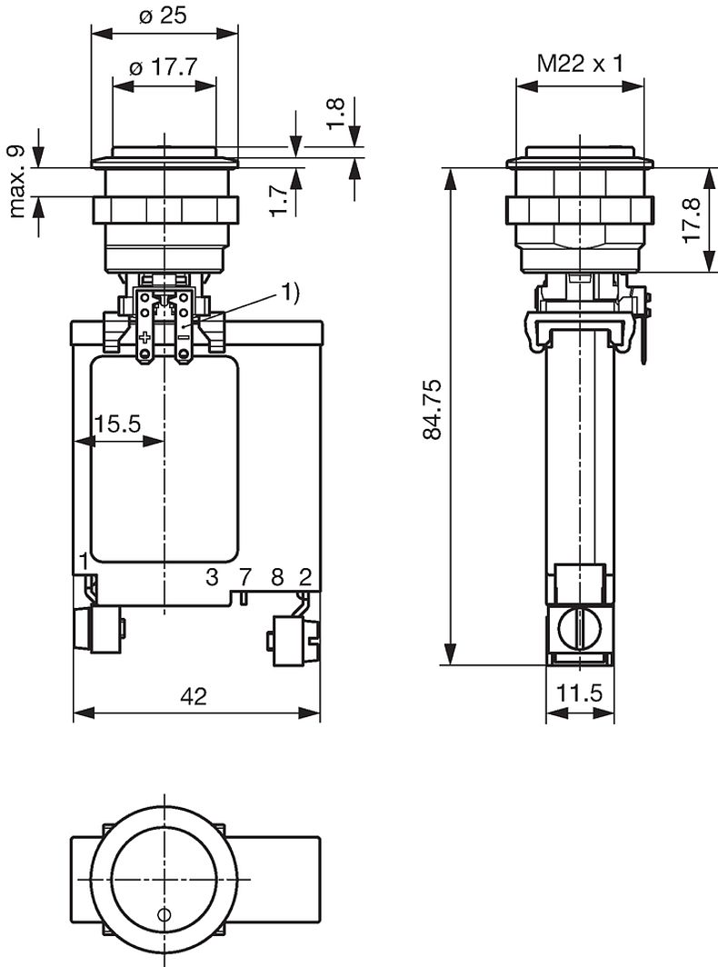
TM12 MSM 22

1) only among MSM PI / RI quick connect terminal 2.8x0.5 mm
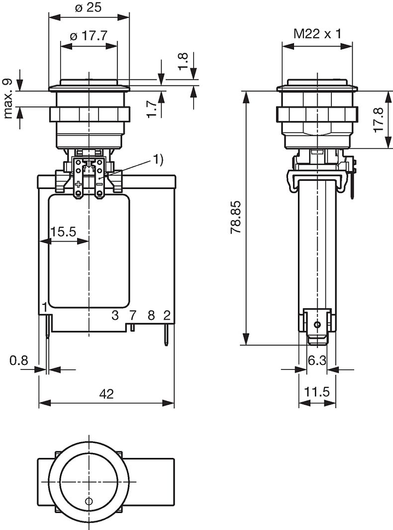
TM12 MSM 22 screw version

1) only among MSM PI / RI quick connect terminal 2.8x0.5 mm
MSM 19 LA ST /  MSM 19 LA RI

Drilling diagram
MSM 19 LA LE /  MSM 19 LA PI / MSM 19 LA RI optional

Drilling diagram

MSM 22 LA ST /  MSM 22 LA RI

Drilling diagram
MSM 22 LA LE / MSM 22 LA PI / MSM 22 LA RI optional

Drilling diagram


Typical internal resistance TMF12

Rated Current [A] Internal Resistance [Ω]
0.05 335.00
0.50 4.37
1.00 1.23
2.00 0.369
3.00 0.181
4.00 0.097
5.00 0.055
6.00 0.044
7.00 0.0231
8.00 0.0227
9.00 0.0142
10.00 0.0123
11.00 0.012
12.00 0.012
13.00 0.0108
14.00 0.0091
15.00 0.0089
16.00 0.0071

Effect of ambient temperature

Ambient Temperature [°C] Correction factor
-5 0.87
0 0.90
10 0.95
23 1.00
30 1.05
40 1.12
50 1.20
60 1.30

Time-Current-Curves

Time in Seconds
Multiple of Rated Current In


Ambient temperature +23°

Point Illumination

Operating Data Forward Current max. Forward Voltage at 10 mA Forward Voltage at 8 mA Forward Voltage max.
LED red 30 mA 1,9 VDC   3,0 VDC
LED green 30 mA 2,1 VDC   3,0 VDC
LED blue 20 mA   3,7 VDC 4,5 VDC
Attention: Switches are delivered without series resistor.

MSM_LA19_MSM_LA22_Punktbeleuchtung


The three digits are part of the ordner number key  
000 No Lettering
001-100 Standard Lettering
101- Customized Lettering
T12_MSM_Verpackung_1
- Actuating elements in ESD safe packaging
- Screw nuts and sealing rings in a bag (enclosd in the box)
- Circuit breaker in a bag (enclosed in the box)

Short Table of Variants TM12-MSM Open complete table TM12-MSM

Circuit Breakers Order Number
Symbols, Footprints, 3D-Models Free Sample

Free Sample


Please ask for free sample in order to check if the products meets your requirement for your application.
Send your delivery adress and your specific requirements.

Distributor Stock Check

Distributor Stock Check


The following links refers to the inquiry form for distributors stock information of the selected products. It allows checking for the available amount and optionally to place an order at your selected partner.
The stock availability at the distributors may also be called up separately and the desired product manually entered.
Stock Check Distributor

...
Type   Rated current   Connection type            
TMF12-221-10 10 A Quick connect terminals 6.3 x 0.8 mm 4410.9013 ...
TMF12-221-16 16 A Quick connect terminals 6.3 x 0.8 mm 4410.9014 ...
TMF12-221-10 10 A Quick connect terminals 6.3 x 0.8 mm 4410.9015 ...
TMF12-221-16 16 A Quick connect terminals 6.3 x 0.8 mm 4410.9016 ...
TMF12-221-15 15 A Quick connect terminals 6.3 x 0.8 mm 4410.9020 ...
TMF12-221-15 15 A Quick connect terminals 6.3 x 0.8 mm 4410.9022 ...
Coupler is included

Packaging Unit 10 Pcs 

040170200000008130
LOADING...

02.09.2025
   
it prod Cambiando la versione del catalogo (Desktop <> Mobile), il sistema resetta i filtri scelti